Rulment peridoc de precizie cu ungere, rotire 120°, WLL=900kg, Ø442mm
Cod produs: 0012661
• Rulment peridoc - coroana rotativa - serie L (light)
• Ungerea se realizeaza prin niplurile de ungere laterale.
• Inaltime constructiva mica
• Unghi de rotire 120°
• Portanta axiala 900 kg
• Diametrul exterior 442 mm
• Recomandat pentru remorci sau alte utilaje de transport.
• Portanta indicata este valabila pentru remorci de camioane cu 3 axe.
• Portanta pentru remorci de camioane cu 2 axe este cu 10% mai mare.
• La viteze mai mici de 20 km/h portanta indicata poate fi depasita cu 20%.
Coroana rotativa de precizie cu ungere seria L, rotire 120°, WLL=900kg, Ø442mm

• Rulment peridoc - coroana rotativa - serie L (light)
• Coroanele de rotire de precizie constau din 2 inele din otel cu bile din otel de rulmenti.
• Ungerea se realizeaza prin niplurile de ungere laterale
• Inaltime constructiva mica
• Forta axiala mare
• Rezistent mare la uzura
• Ambele flanse din profile tip L nu au orificii
• Recomandat pentru remorci sau alte utilaje de transport
• Portanta indicata este valabila pentru remorci de camioane cu 3 axe.
• Portanta pentru remorci de camioane cu 2 axe este cu 10% mai mare.
• La viteze mai mici de 20 km/h portanta indicata poate fi depasita cu 20%.
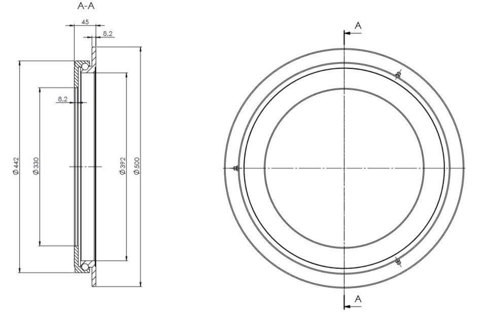
Date si caracteristici tehnice

| Diametrul exterior inel exterior - Ø (Da) | 442 mm | |
|---|---|---|
| Diametrul interior inel exterior - Ø (U) | 330 mm | |
| Sarcina axiala | 900 kg | |
| Greutatea totala | 15 kg | |
| Inaltimea totala coroana rotativa (H) | 45 mm | |
| Diametrul exterior inel interior - Ø (O) | 500 mm | |
| Diametrul interior inel interior - Ø (Di) | 392 mm | |
| Material bile | Otel rulemnti | |
| Grosimea material profil L (h) | 8 mm | |
| Ungere | DA | |
| Unghi de rotire rulment peridoc | 120° | |
| Portanta dinamica | 900 kg |
