Cric manual pentru ecluze PFAFF SCH-W Portanta 10.000 kg
Cod produs: 40051722
- Produs original Pfaff Silberblau - Quality Made in Germany!
- Cric fiabil pentru ecluza, pentru deschiderea si inchiderea portilor in ecluze
- Manivela de siguranta cu arc tine permanent ecluza inchisa cu presiune
- Piese de angrenaj intarite si dinti prelucrati cu precizie pentru o manevrare imbunatatita si uzura redusa
Brand:
PFAFF SILBERBLAU GMBH
Specificatii
| SCH-W 100 | |
| 10000 | |
| 1550 | |
| 1000 | |
| 40 | |
| Siku | |
| 56 |

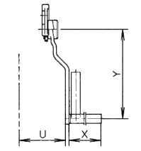
Dimensiuni*
* Va rugam frumos sa selectati, din tabelul de mai jos, dimensiunile detaliate ale modelului prezentat
| Model | A | B | C | D | E | F | G | H | I | J | K | L | M | N | O | P | Ø Q | R | S | T | U | V | W | X | Y |
| [mm] | [mm] | [mm] | [mm] | [mm] | [mm[ | [mm] | [mm] | [mm] | [mm] | [mm] | [mm] | [mm] | [mm] | [mm] | [mm] | [mm] | [mm] | [mm] | [mm] | [mm] | [mm] | [mm] | [mm] | [mm] | |
| SCH-W 15 | 35 | 25 | 140 | 85 | 125 | 78 | 175 | 310 | 33.5 | 43.3 | 121 | 230 | 90 | 153 | 52.5 | 52.5 | 14 | 7 | 76.5 | 100.5 | 113 | 86 | 136 | 130 | 250 |
| SCH-W 30 | 45 | 30 | 160 | 60 | 204 | 92 | 230 | 395 | 39.5 | 53.1 | 138 | 230 | 90 | 158 | 55 | 55 | 14 | 7 | 85.5 | 108.5 | 121 | 94 | 144 | 130 | 250 |
| SCH-W 50 | 50 | 40 | 145 | 45 | 189 | 100 | 260 | 400 | 51 | 69.5 | 81 | 230 | 90 | 173 | 61 | 64 | 14 | 7 | 88 | 120 | 132 | 105 | 155 | 130 | 250 |
| SCH-W 100 | 60 | 50 | 165 | 65 | 235 | 112 | 320 | 480 | 59 | 88.3 | 81 | 290 | 115 | 183 | 66 | 70 | 14 | 8 | 100 | 140 | 185 | - | - | 250 | 300 |