Cuplaj elastic cu gheare Starflex ALS H Shore 97 D=80 mm
Cod produs: ALS-080-R-H
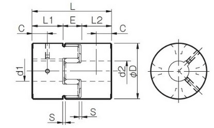
- Starflex are o construcție simplă formata din doi butuci cu un element flexibil în interior.
- Elementul flexibil este un elastomer poliuretanic și permite amortizarea vibrațiilor și compensarea decalajului.
- Duritatea elementului poliuretanic este 97 JIS A.
- Conform RoHS.
- Moment nominal de rotire 325 Nm.
- Se potrivește pentru servomotoare, pas cu pas și standard.
Brand:
MIKI PULLEY EUROPE
Specificatii
| 80 | |
| 114 | |
| 19 | |
| 45 | |
| 45 | |
| 24 | |
| 3 | |
| 22,5 | |
| 325 | |
| 650 | |
| 0,1 | |
| 1 | |
| 0 - 1,8 | |
| 6000 | |
| 6000 | |
| 1710 | |
| 1,06 × 10-3 | |
| 97 | |
| 1,01 |

