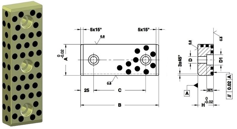
Bara autolubrificanta de alunecare seria E42.12, 25x110x12 mm
Cod produs: E42.12.2512110
- Solutioneaza problemele de alunecare in masini, unelte de stantare si dispozitive
- Suporta sarcini mari, cu o durata de viata lunga
- Intretinere redusa si montaj usor
- Din bronz cu cilindri de grafit sinterizat
- Duritate HB > 190
- Suprafetele de alunecare au o rugozitate superficiala scazuta (Ra 0.8 / Rz 6.3) si fara colturi ascutite
- O ungere initiala cu grasime de litiu si ungerea periodica la fiecare ~100.000 de cicluri asigura o durata de viata mai lunga
- Produsele constau dintr-un suport metalic pe care este aplicat un lubrifiant
- Lubrifiantul eliberat in timpul alunecarii formeaza un film care reduce uzura la nivelul unei ungeri conventionale
- Directia de alunecare: unidirectionala

Brand:
OMCR SRL
Specificatii
| 25 | |
| 110 | |
| 60 | |
| 12 | |
| 9 | |
| 13 | |
| 9 | |
| A | |
| 100 | |
| 15 | |
| 200 | |
| 0.05 - 0.15 | |
| -40 pana +150 |
