Cleme pivotante, acţiune combinată de prindere şi fixare M 16 | 23320.0016
Cod produs: 23320.0016
Cleme pivotante, acţiune combinată de prindere şi fixare M 16 | 23320.0016
Brand:
ERWIN HALDER KG
Specificatii
| Oțel cementat, nitrurat, tratat cu fosfat de magneziu și, șlefuit | |
| Oțel cementat, nitrurat, tratat cu fosfat de magneziu | |
| Aluminiu anodizat roşu | |
| construcția de camioane, construcții de mașini, general, equipment construction, fabrică, construcția de echipamente și aparate apparatus and, mașini de țesut și cusut, producția de motoare | |
| absorţie, aplica, fixare, sigur, suport | |
| CE | |
| 6200 g |
Clema pivotantă este folosită pentru prinderea și susținerea punctelor de prindere la componente.
Beneficiile clemei pivotante sunt:
- Posibilitatea de utilizare în special la piese mari
- Evitarea vibrației în timpul procesării
- Prinderea pieselor cu striații, a celor rotunjite şi a inelelor.
- Prindere fără deformare a pieselor neprelucrate.
Material
Corp ajustabil
- Aluminiu anodizat roşu
Corp
- Oțel cementat, nitrurat, tratat cu fosfat de magneziu și șlefuit
Fălci de fixare
- Oțel cementat, nitrurat, tratat cu fosfat de magneziu
Asamblare
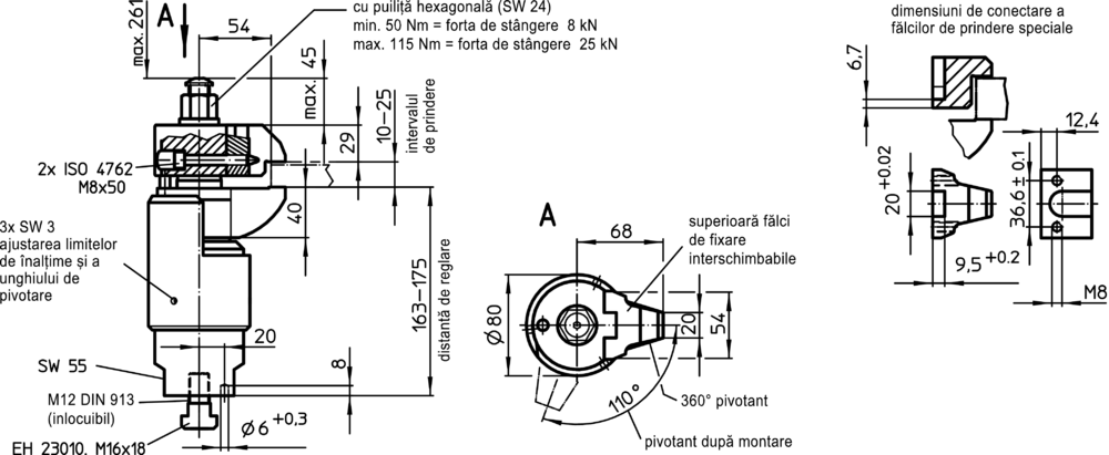
- Montați clema pivotantă (filet M 16 ) pe dispozitiv cu o cheie (SW 55)
- Ajustați limitatorul de înălțime și zona de rotație cu manșonul roșu și fixați cu șuruburi (3 x SW3). La stabilirea limitei de înălțime, luați în considerare toleranța piesei.
Operaţii
- Împingeți clema în jos.
- Pivotați fălcile cât de mult posibil. Falca de jos va intra în contact cu piesa prin intermediul forței arcului.
- Strângeți clema cu ajutorul piuliței (SW 24) la o forța min. de 50 Nm și max. de 115 Nm. În procesul de prindere, piesa este prinsă și sprijinită simultan.
- Eliberarea piesei se face în ordine inversă.
Accesorii
Pentru sisteme personalizate, falca superioară standard furnizată poate fi înlocuită cu fălcile de prindere(23320.0062/.0064/.0066).