Suporturi | 23220.0400
Cod produs: 23220.0400
Suporturi | 23220.0400
Specificatii
| Aluminiu anodizat roşu | |
| Oțel cementat, nitrurat, tratat cu fosfat de magneziu și, șlefuit | |
| adaptoare, producția de scule, construcția de camioane, construcții de mașini, general, mașini de injecție, turnătorii, mașini de materiale de construcții, producția de motoare, scule de precizie | |
| absorţie, aplica, compensare, fixare, sigur, strângere, suport | |
| L12, L16, V70 | |
| CE | |
| 1137 g |
Elementul de sprijin este folosit pentru susținerea punctelor determinate la nivelul componentelor.
Beneficiile elementelor de sprijin sunt:
- Susținerea componentelor instabile fără deformare
- Eliminarea vibrațiilor în timpul procesării
- Susținerea nervurilor, suprafețelor rotunde și a clemelor
- Susținerea fără deformarea a pieselor neprelucrate
- Ușor de manipulat
Material
Carcasă
- Aluminiu anodizat roşu
Corp
- Oțel cementat, nitrurat, tratat cu fosfat de magneziu și șlefuit
Asamblare
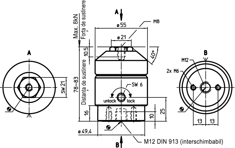
Fixați suportul (filet 2 x M 6) pe dispozitiv. Acordați atenție la partea de operare!
Alternativă: Demontați pinii filetaţi M12 x 10 și înlocuiţii cu pini M 12 x 30 și asamblaţi elementul de sprijin cu o cheie (SW 21), de exemplu, pentru montarea pe canal T (nu este asigurată nici o parte de operare). Ştifturile filetate M 12 x 30 și piuliţele DIN508 M 12 x 14, calitate 10, fac parte din setul standard de livarare.
Este posibilă scăderea elementului de susținere cu 16 mm.
Operaţii
Prin rotirea camei de prindere (SW 6 hexagon intern) pe suprafața exterioară a manșonului roșu de protecție, pinul vine în contact cu piesa de lucru cu o sarcină ușoară.
- Prin rotirea pe cât posibil (15 Nm), adică numărul total de 180°, mecanismul de prindere blochează bolțul de sprijin fără mișcare. Elementul de susținere a fost plasat pe piesa de lucru și blocat.
- Dacă rotiti în direcția opusă (deblocare), piesa este eliberată . Dacă rotiți cât este posibil, de exemplu, numărul total de 180° suportul se deplasează în poziția de început.
Note
Pentrufuncționareaîn condiții de siguranță,filetul M12trebuie să fie închis.
Referințe
Posibilitate suplimentară de montaj folosind o placă de susținere 23210.0740.
Știftul filetat M 8 de pe suport poate fi înlocuit cu o gama largă de pini de așezare (EH 22...). Se pot monta de asemenea pini personalizați.
Înălțimea de strângere poate fi crescută folosind cilindrii de reglare a înălțimii EH 23310. și distanțierele EH 1107. și EH 1108.