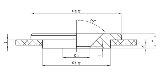
Inel de fixare 2345.3

Cod produs: 2345.3.H.125.12

Specificatii


/
36
90
125
12
1.1191

desen 2345.3.png