Palan manual cu troliu integrat YALELift ITG ATEX BASIC, carlig bronz, Portanta 1.000 kg

Cod produs: N04905042

  • YLIT ATEX cu carucior integrat 
  • Versiune protejata impotriva exploziilor cu acoperire MKS rezistenta la scantei
  • Combinatia de Yalelift 360 cu un carucior manual construit jos asigura mai multa flexibilitate de utilizare
  • Astfel, chiar si inaltimile mici ale incaperii pot fi utilizate in mod optim
  • Asamblare cu piulite de reglare
  • Carucioarele de pana la 5 t sunt oferite pentru doua zone de transport:
      - un interval A pana la 180 mm latimea flansei grinzii
      - o conversie in intervalul B, pana la 300 mm, este posibila fara probleme
  • Rolele sunt proiectate pentru o inclinare maxima a flansei suport de 14% (DIN 1025-1)
  • Proprietatile optime de rulare sunt garantate de rulmentii cu bile, incapsulati si lubrifiati permanent
  • ITG - cu carucior cu transmisie integrat
Brand: YALE LIFTING

Specificatii


YLITG ATEX 1000
1000
1
A
50 - 180
19
0.9
32



yalelift-it-atex.jpg                     ITG 500-3000.png


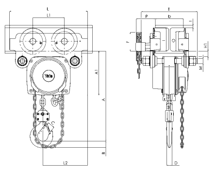
Dimensiuni*

* Va rugam frumos sa selectati, din tabelul de mai jos, dimensiunile detaliate ale modelului prezentat

Model BASIC A min. A1 B C D F H1 I L L1 L2 M O P T
[mm] mm [mm] [mm] [mm] [mm] [mm] [mm] [mm] [mm] [mm] [mm] [mm] [mm] [mm]
YLITP ATEX 500 245 158 17 24 14 - 24.5 71.5 270 130 159 M18 60 108 280
YLITP ATEX 1000 272 178 22 29 19 - 24 71.5 310 130 175 M22 60 110 290
YLITP ATEX 2000 323 205.5 30 35 22 - 23.5 95.5 360 150 207 M27 80 112 305
YLITG ATEX 500 245 158 17 24 14 92 24.5 76.5 270 130 159 M18 60 108 280
YLITG ATEX 1000 272 178 22 29 19 92 24 76.5 310 130 175 M22 60 110 290
YLITG ATEX 2000 323 205.5 30 35 22 91 23.5 98 360 150 207 M27 80 112 305
YLITG ATEX 3000 382 252 38 40 30 107 32 132.5 445 180 256 M30 112 112 320
YLITG ATEX 5000 550 260.5 45 47 37 149.5 30.5 148.5 525 209 283 M42 125 117 364
YLITG ATEX 10000 784 380 68 68 50 113 55 169 430 200 261 M48 150 158 540