Palan manual YALELift 360 ATEX HIGH, lant INOX, Portanta 5.000 kg
Cod produs: N04705039
- Palan manual Yalelift 360 ATEX
- Versiune protejata impotriva exploziilor cu acoperire MKS rezistenta la scantei
- Model dezvoltat pentru utilizare in atmosfere potential explozive
- Carcasa inchisa, robusta din tabla de otel, cu patru stifturi
- Rezista chiar si la cele mai dificile conditii si permite utilizarea in exterior
- Inaltimea totala extrem de mica permite utilizarea maxima a inaltimii de ridicare
- Ghidajul manual de lant inovator 360° permite folosirea palanului in toate pozitiile, chiar si in spatii inguste
- Poate fi actionat si din lateral din orice pozitie
- Astfel, poate fi utilizat pentru lucrari de tragere si tensionare orizontale
- Operatorul nu mai este obligat sa lucreze in zona periculoasa a incarcaturii
- Componentele sunt realizate din materiale de inalta calitate
- Sunt galvanizate suplimentar si cromate galben pentru a proteja impotriva coroziunii
- Roata de lant asigura rularea exacta a lantului de sarcina
- Lantul rotund din otel galvanizat respecta toate reglementarile nationale si internationale aplicabile
- Echipamentul standard include carlige forjate de transport si incarcare din otel temperat
- Carligele, care sunt prevazute cu console de siguranta robuste, pot fi rotite la 360°
- Lant de incarcare din INOX
Brand:
YALE LIFTING
Specificatii
| YL ATEX 5000 | |
| 5000 | |
| 2 | |
| 10 x 30-S | |
| 174 | |
| 34 | |
| 38 |
Nota: In versiunea HIGH, dispozitivele sunt deja marcate cu capacitatea de incarcare redusa

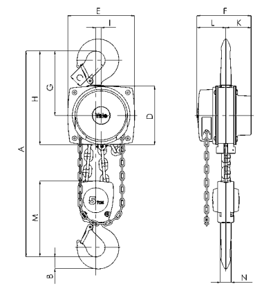
Dimensiuni*
* Va rugam frumos sa selectati, din tabelul de mai jos, dimensiunile detaliate ale modelului prezentat
| Model HIGH | A min. | B | C | D | E | F | G | H | I | K | L | M | N |
| [mm] | [mm] | [mm] | [mm] | [mm] | [mm] | [mm] | [mm] | [mm] | [mm] | [mm] | [mm] | [mm] | |
| YL ATEX 500 | 300 | 17 | 24 | 133 | 148 | 148 | 139 | 206 | 24 | 61 | 87 | 110 | 14 |
| YL ATEX 1000 | 335 | 22 | 29 | 156 | 175 | 167 | 164 | 242 | 24 | 70 | 97 | 125 | 19 |
| YL ATEX 2000 | 395 | 30 | 35 | 182 | 203 | 194 | 192 | 283 | 31 | 83 | 111 | 156 | 22 |
| YL ATEX 3000 | 620 | 38 | 40 | 220 | 250 | 219 | 225 | 335 | 34 | 95 | 124 | 178 | 30 |
| YL ATEX 5000 | 654 | 45 | 47 | 220 | 250 | 219 | 242 | 352 | 21 | 95 | 124 | 285 | 37 |
| YL ATEX 10000 | 825 | 68 | 68 | 220 | 383 | 219 | 326 | 436 | 136 | 95 | 124 | 401 | 50 |
| YL ATEX 20000 | 1010 | 85 | 64 | 303 | 555 | 250 | 391 | 501 | - | 396 | 125 | 471 | 56 |