Palan manual YALELift LHG Portanta 10.000 kg

Cod produs: N05600027

  • YLLH – bloc de scripete cu roti dintate drepte cu rola integrata sau tren de rulare cu bobine
  • Dezvoltat din Yalelift IT, varianta LH este utilizata oriunde sunt necesare inaltimi ale incaperii chiar mai mici
  • Este posibila tragerea carligului de incarcare cu blocul inferior in lateralul dispozitivului si mai sus, sub grinda
  • Instalare rapida si usoara folosind piulite de reglare
  • Rolele sunt proiectate pentru o inclinare maxima a flansei suport de 14% (DIN 1025-1)
  • Proprietatile optime de rulare sunt garantate de rulmentii cu bile, incapsulati si lubrifiati permanent
  • LHG - cu carucior cu transmisie integrat
Brand: YALE LIFTING

Specificatii


YL LHG 10000
10000
3
B
190-310
40
1.8
232



YALE LIFT LH.jpg                       lhg 10000.png

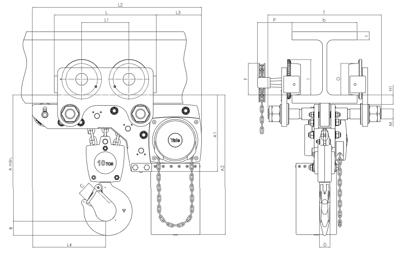
Dimensiuni*

* Va rugam frumos sa selectati, din tabelul de mai jos, dimensiunile detaliate ale modelului prezentat

Model A min. A1 A2 B C D F H1 I L L1 L2 L3 L4 M O P T
[mm] [mm] [mm] [mm] [mm] [mm] [mm] [mm] [mm] [mm] [mm] [mm] [mm] [mm] [mm] [mm] [mm] [mm]
YL LHP 500 188 223 381 17 24 14 - 24 72 270 130 444 124 184 M18 60 - 280
YL LHP 1000 211 250 427 22 29 19 - 24 72 310 130 488 135 201 M22 60 - 290
YL LHP 2000 264 289 511 30 35 22 - 24 96 360 150 582 172 230 M27 80 - 305
YL LHP 3000 316 346 614 38 40 30 - 32 131 445 180 690 203 265 M30 112 - 320
YL LHP 5000 425 345 612 45 47 37 - 31 143 525 209 720 175 283 M42 125 - 364
YL LHG 500 188 223 381 17 24 14 92 24 77 270 130 444 124 184 M18 60 108 280
YL LHG 1000 211 250 427 22 29 19 92 24 77 310 130 488 135 201 M22 60 110 290
YL LHG 2000 264 289 511 30 35 22 91 24 98 360 150 582 172 230 M27 80 112 305
YL LHG 3000 316 346 614 38 40 30 107 32 133 445 180 590 203 265 M30 112 112 320
YL LHG 5000 425 345 612 45 47 37 150 31 149 525 209 720 175 283 M42 125 117 364
YL LHG 10000 565 365 665 68 68 50 150 45 170 485 225 805 215 348 M48 150 165 440
YL LHG 10000 565 365 665 68 68 50 150 45 170 485 225 805 215 348 M48 150 165 540