Transpalet cu ridicare sistem foarfeca pompa manuala PFAFF HU-HS-10-B Portanta 1.000kg H=800mm

Cod produs: N26600020

  • Produs orifginal Pfaff Silberblau - Quality Made in Germany!
  • O combinatie practica dintr-un transpalet si o masa de ridicare pentru sarcini paletate
  • Actionare cu o pompa hidraulica manuala
  • Portanta 1.000 kg
  • Inaltimea maxima a furcii H = 800 mm
  • Viteza de ridicare rapida si normala
  • Ventil pentru o viteza de coborare lina 
  • Siguranta pentru suprasarcina 
  • Picioare de sprijin suplimentare pentru stabilitate ridicata la sarcini ridicate
  • Constructie foarte robusta
  • Roti din PUR (Poliuretan)
Brand: PFAFF SILBERBLAU GMBH

Specificatii


HU HS 10 B
1000
600
1254
575
1715
715
18
PUR
122



PFAFF HU HS 10.jpg              schita foarfeca hs.jpg


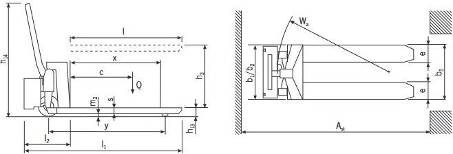
Dimensiuni*

  • Va rugam frumos sa regasiti, in tabelul de mai jos, dimensiunile detaliate ale modelului prezentat

Model

Dimensiuni rola directie

D

Dimensiuni rola incarcare

D1

Inaltime totala

h14

Inaltime furca coborata

h13

Grosime furca

s

Latime furca

e

Lungime furca

l

Dimensiune exterioara

b5

Distanta lucru

Ast

Raza manipulare Cod comanda
  [mm] [mm] [mm] [mm] [mm] [mm] [mm] [mm] [mm] [mm]  
HU HS 10 B 180 x 50 75 x 50 1254 85 45 160 1170 540 1986 1564 N26600020