- Cric YALEtaurus, ideal pentru ridicarea, pozitionarea sau transportul masinilor si obiectelor grele
- Ideal si pentru lucrari de reparatii si montaj in zone inghesuite si in cele mai grele conditii
- Greutatea de doar 30 kg si manerul de transport integrat, il fac un instrument portabil, versatil
- Cu o forta de mana de 45 kg pe parghia manuala detasabila, va ridica, apasa, impinge sau cobora o sarcină de 10000 kg in orice directie
- O roata manivela standard va aduce cricul rapid in pozitia dorita
- Frana de sarcina automata de tip surub si disc
- Presiunea de franare axiala este generata de sarcina insasi fiind, prin urmare, proportionala cu dimensiunea sarcinii
- Sarcina este mentinuta in siguranta in orice pozitie
- Carcasa dintr-o singura parte din fonta sferoidala cu gheara de ridicare integrata
- Frana de sarcina de tip surub si disc provine de la Yale PUL-LIFT® (piesele de schimb se gasesc foarte usor)
- Tractiune redusa a parghiei si rezistenta lunga de viata datorita angrenajului optim si materialelor de inalta calitate

Model
Portanta WLL
Portanta pe gheara
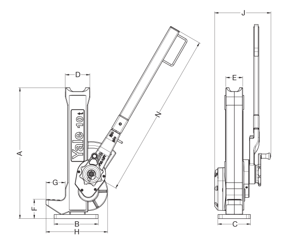
Inaltime A
Cursa ridicare Lift
Inaltime maxima A+Lift
Putere rotire manivela
Greutate G
[kg]
[kg]
[mm]
[mm]
[mm]
[daN]
[kg]
Cod produs
Model
:
YALEtaurus
Portanta WLL
[kg]
:
10000
Portanta pe gheara
[kg]
:
7000
Inaltime A
[mm]
:
505
Cursa ridicare Lift
[mm]
:
295
Inaltime maxima A+Lift
[mm]
:
800
Putere rotire manivela
[daN]
:
45
Greutate G
[kg]
:
30
N0130003