- Produsele standardizate autolubrificante OMCR solutioneaza problemele de alunecare in masini, unelte de stantare si dispozitive
- Suporta sarcini mari, au o durata de viata lunga, necesita intretinere redusa si se pot monta usor
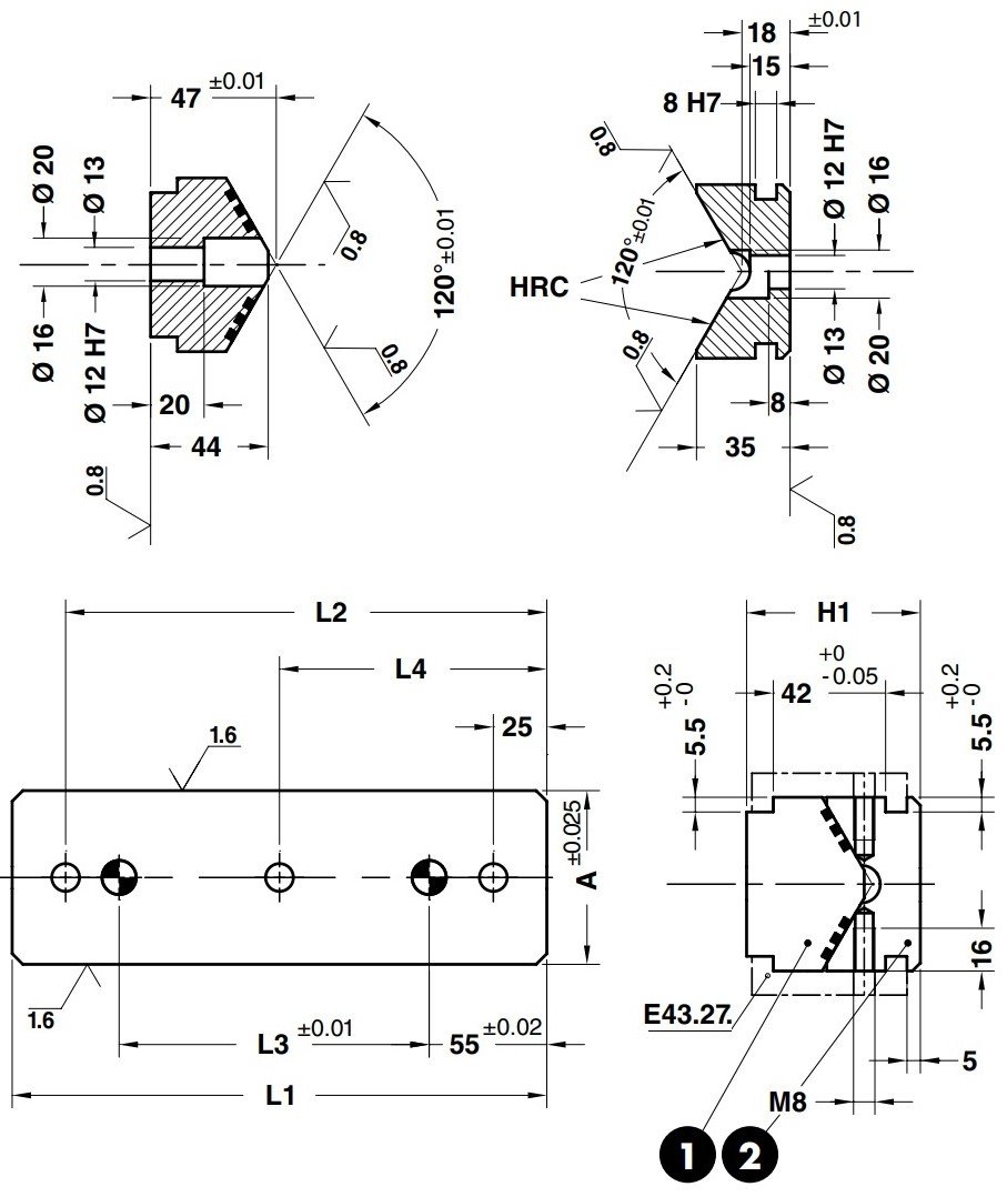
- Suprafetele de alunecare au o rugozitate superficiala scazuta (Ra 0.8 / Rz 6.3) si fara colturi ascutite
- O ungere initiala cu grasime de litiu si ungerea periodica la fiecare ~100.000 de cicluri asigura o durata de viata mai lunga
- Produsele constau dintr-un suport metalic pe care este aplicat un lubrifiant
- In timpul alunecarii, lubrifiantul este eliberat si formeaza un film care reduce uzura la nivelul unei ungeri conventionale
- Directia de alunecare: unidirectionala


Latime A
Marime H1
Lungime L1
Marime L2
Marime L3
Marime L4
[mm]
[mm]
[mm]
[mm]
[mm]
[mm]
Cod produs
Latime A
[mm]
:
65
Marime H1
[mm]
:
65
Lungime L1
[mm]
:
150
Marime L2
[mm]
:
125
Marime L3
[mm]
:
45
Marime L4
[mm]
:
--
E43.25.6565150
Latime A
[mm]
:
65
Marime H1
[mm]
:
65
Lungime L1
[mm]
:
200
Marime L2
[mm]
:
175
Marime L3
[mm]
:
95
Marime L4
[mm]
:
--
E43.25.6565200
Latime A
[mm]
:
65
Marime H1
[mm]
:
65
Lungime L1
[mm]
:
250
Marime L2
[mm]
:
225
Marime L3
[mm]
:
145
Marime L4
[mm]
:
125
E43.25.6565250
Latime A
[mm]
:
65
Marime H1
[mm]
:
65
Lungime L1
[mm]
:
300
Marime L2
[mm]
:
275
Marime L3
[mm]
:
195
Marime L4
[mm]
:
150
E43.25.6565300