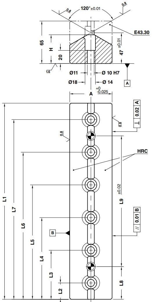
- Bara prismatica de ghidare (forma "V") OMRC
- Pentru bare autolubrificante OMCR seria E43.30 din bronz + grafit
- Material otel CK45
- Duritate material HRC 58÷60


Latime A
Grosime H
Lungime L1
Lungime L2
Lungime L3
Lungime L4
Lungime L5
Lungime L6
Lungime L7
[mm]
[mm]
[mm]
[mm]
[mm]
[mm]
[mm]
[mm]
[mm]
Cod produs
Latime A
[mm]
:
65
Grosime H
[mm]
:
44
Lungime L1
[mm]
:
100
Lungime L2
[mm]
:
20
Lungime L3
[mm]
:
80
Lungime L4
[mm]
:
--
Lungime L5
[mm]
:
--
Lungime L6
[mm]
:
--
Lungime L7
[mm]
:
--
E43.31.6544100
Latime A
[mm]
:
65
Grosime H
[mm]
:
44
Lungime L1
[mm]
:
150
Lungime L2
[mm]
:
25
Lungime L3
[mm]
:
75
Lungime L4
[mm]
:
125
Lungime L5
[mm]
:
--
Lungime L6
[mm]
:
--
Lungime L7
[mm]
:
--
E43.31.6544150
Latime A
[mm]
:
65
Grosime H
[mm]
:
44
Lungime L1
[mm]
:
200
Lungime L2
[mm]
:
25
Lungime L3
[mm]
:
75
Lungime L4
[mm]
:
125
Lungime L5
[mm]
:
175
Lungime L6
[mm]
:
--
Lungime L7
[mm]
:
--
E43.31.6544200
Latime A
[mm]
:
65
Grosime H
[mm]
:
44
Lungime L1
[mm]
:
250
Lungime L2
[mm]
:
25
Lungime L3
[mm]
:
75
Lungime L4
[mm]
:
125
Lungime L5
[mm]
:
175
Lungime L6
[mm]
:
225
Lungime L7
[mm]
:
--
E43.31.6544250
Latime A
[mm]
:
65
Grosime H
[mm]
:
44
Lungime L1
[mm]
:
300
Lungime L2
[mm]
:
25
Lungime L3
[mm]
:
75
Lungime L4
[mm]
:
125
Lungime L5
[mm]
:
175
Lungime L6
[mm]
:
225
Lungime L7
[mm]
:
275
E43.31.6544300