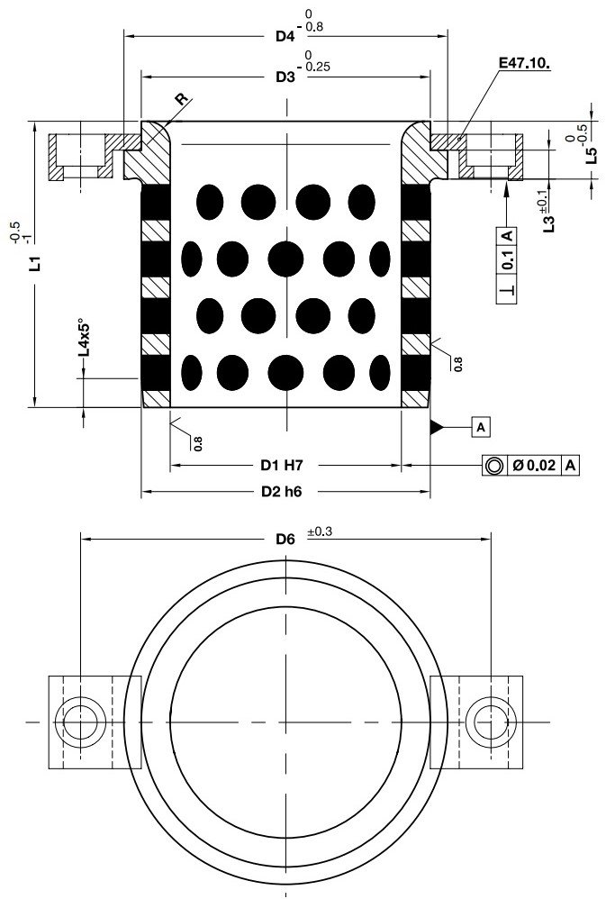
Bucsa autolubrificanta de alunecare DIN 9834 seria 46.10.






E46.10.4x4.jpg                            E46.10 DT.jpg



COMANDA1.jpg   auni.jpg    Proiectare.jpg



ATAB.jpg