- Produsele standardizate autolubrificante OMCR solutioneaza problemele de alunecare in masini, unelte de stantare si dispozitive
- Suporta sarcini mari, au o durata de viata lunga, necesita intretinere redusa si se pot monta usor
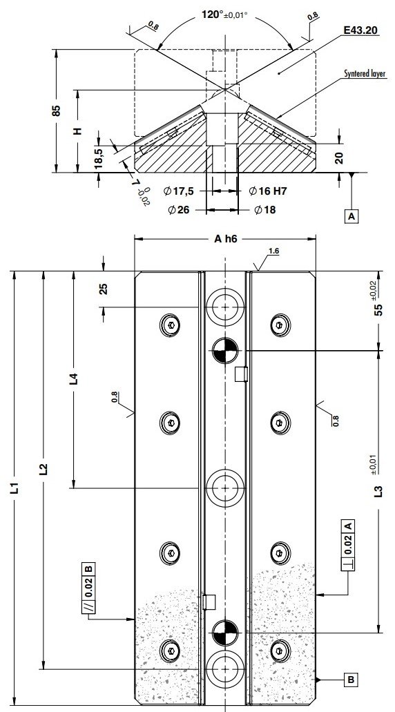
- Suprafetele de alunecare au o rugozitate superficiala scazuta (Ra 0.8 / Rz 6.3) si fara colturi ascutite
- O ungere initiala cu grasime de litiu si ungerea periodica la fiecare ~100.000 de cicluri asigura o durata de viata mai lunga
- Produsele constau dintr-un suport metalic pe care este aplicat un lubrifiant
- In timpul alunecarii, lubrifiantul este eliberat si formeaza un film care reduce uzura la nivelul unei ungeri conventionale

PRODUSE SINT300® autolubrificante
• Suport din otel, pe care este aplicat un strat de aprox. 2 mm grosime din material sinterizat continand lubrifianti solizi (grafit si MoS₂) si lichizi
• Suprafata de contact din metal devine mai mare prin absenta insertiilor de grafit si efectul de auto-lubrifiere este imbunatatit semnificativ
• Ofera performante mai bune decat produsele traditionale din bronz + grafit
• Viteze mai mari, presiune specifica mai mare, valoare PV mai mare
• Interval de temperatura de functionare mai larg
• Permit alunecarea in toate directiile cu acelasi efect

Latime A
Grosime H
Lungime L1
Lungime L2
Lungime L3
Lungime L4
[mm]
[mm]
[mm]
[mm]
[mm]
[mm]
Cod produs
Latime A
[mm]
:
125
Grosime H
[mm]
:
57
Lungime L1
[mm]
:
150
Lungime L2
[mm]
:
125
Lungime L3
[mm]
:
45
Lungime L4
[mm]
:
--
E53.21.12557150
Latime A
[mm]
:
125
Grosime H
[mm]
:
57
Lungime L1
[mm]
:
200
Lungime L2
[mm]
:
175
Lungime L3
[mm]
:
95
Lungime L4
[mm]
:
--
E53.21.12557200
Latime A
[mm]
:
125
Grosime H
[mm]
:
57
Lungime L1
[mm]
:
250
Lungime L2
[mm]
:
225
Lungime L3
[mm]
:
145
Lungime L4
[mm]
:
125
E53.21.12557250
Latime A
[mm]
:
125
Grosime H
[mm]
:
57
Lungime L1
[mm]
:
300
Lungime L2
[mm]
:
275
Lungime L3
[mm]
:
195
Lungime L4
[mm]
:
150
E53.21.12557300


