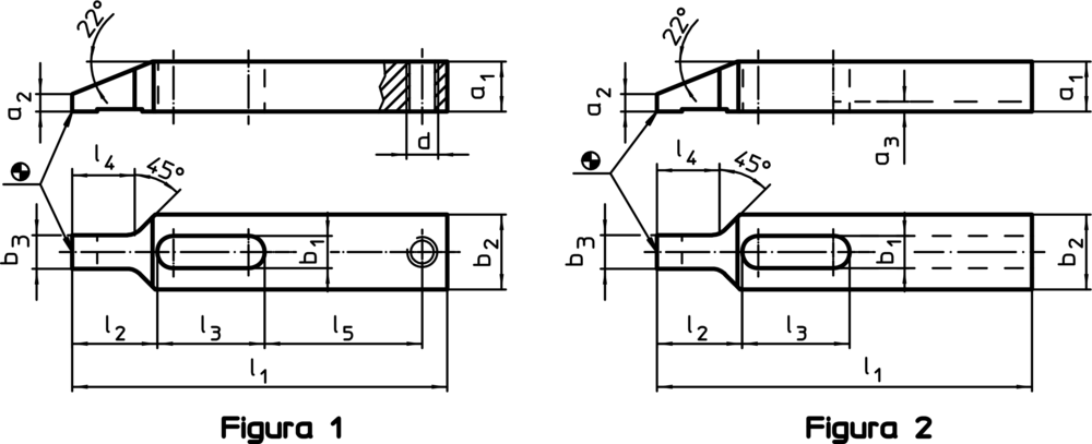
Bridă, cu cioc/cu nut | b1=13 mm / l1=150 mm | 23180.0213
Cod produs: 23180.0213
Bridă, cu cioc/cu nut | b1=13 mm / l1=150 mm | 23180.0213
Brand:
ERWIN HALDER KG
Specificatii
| b1=13 mm / l1=150 mm | |
| 20 mm | |
| 7 mm | |
| 4 mm | |
| 13 mm | |
| 30 mm | |
| 13,5 mm | |
| 150 mm | |
| 34 mm | |
| 43 mm | |
| 25 mm | |
| 2 | |
| Otel tratat termic | |
| adaptoare, producția de scule, construcția de camioane, construcții de mașini, general, equipment construction, fabrică, construcția de echipamente și aparate apparatus and, procesare hrană / mașini de împachetare, producția de motoare, unicate / construcția de modele și prototipuri | |
| fixare, strângere | |
| L12, V70 | |
| CE | |
| 488 g |
This clamp (clamping claw) with nose is mainly used in mechanical clamping technology for clamping workpieces.
Material
- Oţel tratat termic, cu revenire, brunat