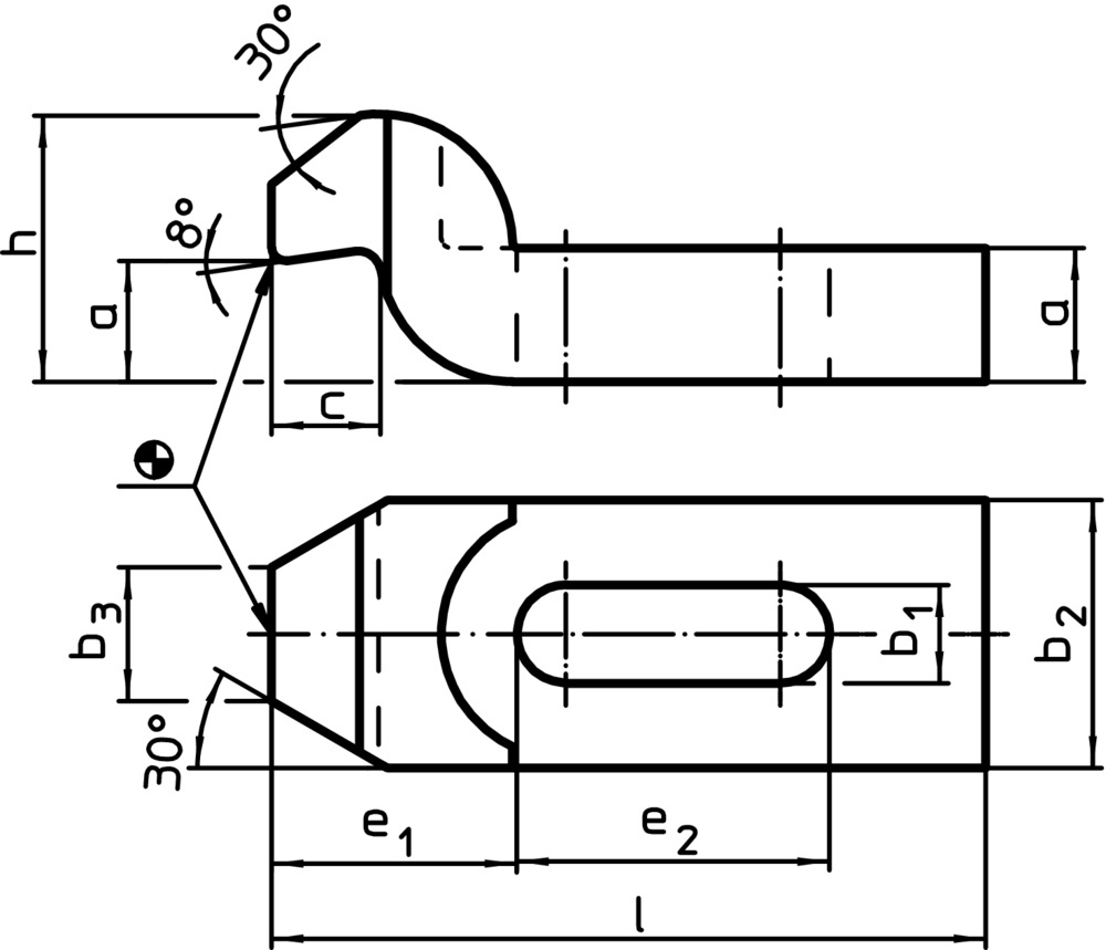
Bridă, DIN 6316 forma de S | b1=9 mm / l=80 mm | 23160.0009

Cod produs: 23160.0009

Bridă, DIN 6316 forma de S | b1=9 mm / l=80 mm | 23160.0009
Brand: ERWIN HALDER KG
Desen
Desen cu aplicație

Specificatii


b1=9 mm / l=80 mm
12 mm
9 mm
25 mm
12 mm
9 mm
25 mm
25 mm
24 mm
80 mm
Oţel tratat termic, lăcuit
furnizori automotive / vehicule speciale / structuri, mașini de materiale de construcții, medical / tehnologii de recuperare / echipamente medicale
fixare, strângere
CE
M8
5/16 inch
165 g

This clamp (clamping claw) according to DIN 6316 with goose-neck is mainly used in mechanical clamping technology for clamping workpieces.

Material

  • Oţel tratat termic, lăcuit