Bride de fixare pe verticala rotativa marimea 60 EH 23310.0067
Cod produs: 23310.0067
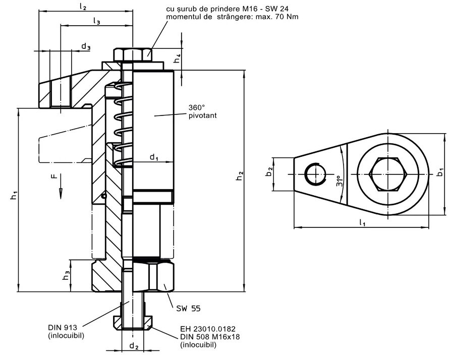
- Bride de fixare rapida si confortabila a piesei de prelucrat, datorita pivotarii bratului de fixare
- Prezinta urmatoarele avantaje:
• Prindere rapida manuala cu ajutorul unui surub de prindere
• Schimbare rapida si usoara a pieselor de lucru prin pivotarea ghearei de prindere
• Constructie compacta, deci nu este nevoie decat de un spatiu mic pentru prindere
• Adaptare simpla in cazul unor inaltimi de prindere mari, utilizand cilindrii de ajustare a inaltimii - Material clema - otel cementat, brunat si slefuit
- Bridele rapide pot fi fixate in doua moduri diferite:
1. in canal T, cu piulita canal T DIN 508 (EH 23010.)
2. cu un set de suruburi direct pe placa de montaj, de ex. pe dispozitiv - Cilindrul trebuie sa se sprijine pe intreaga suprafata
- Inaltimea de fixare poate fi marita utilizand cilindrii model EH 23310. si saibele EH 1617.
- Poate fi si redusa utilizand insertii
Specificatii
| 60 | |
| M16 | |
| M16 | |
| 60 | |
| 24 | |
| 95 - 135 | |
| 123 - 163 | |
| 24 | |
| 99 | |
| 69 | |
| 53 | |
| 40 | |
| 15 | |
| 70 | |
| 3200 |
