Bride de strangere 0-25 mm EH 23370.0053
Cod produs: 23370.0053
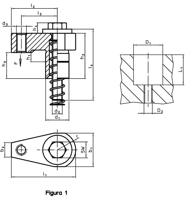
- Se utilizeaza ca si cleme de prindere in sistemele de fixare convenţionale
- Cu suprafata de contact neteda
- Corpul sistemului prezinta un orificiu alezat
- Pozitie orificiu D1 H7: 28 mm
- Pozitie orificiu D2: M12
- Pozitie orificiu L1: 51 mm
- Adancimea orificiului trebuie adaptata in functie de inaltimea de prindere dorita
- Bucsele se livreaza in pachetul standard dar pot fi comandate si separat ca si accesorii
- Prinderea se face cu ajutorul unui surub hexagonal DIN 933 (ISO 4017)
Specificatii
| 28 | |
| M12 | |
| M12 | |
| 0 - 25 | |
| 40.0 | |
| 53 | |
| 76 | |
| 13 | |
| 77.0 | |
| 55.0 | |
| 43 | |
| 120 | |
| 22 | |
| 25 | |
| 18 | |
| 10.0 | |
| 30 | |
| 1 | |
| 612 |
