Inele de pozitionare pentru bride rapide de fixare EH 23310.0360
Cod produs: 23310.0360
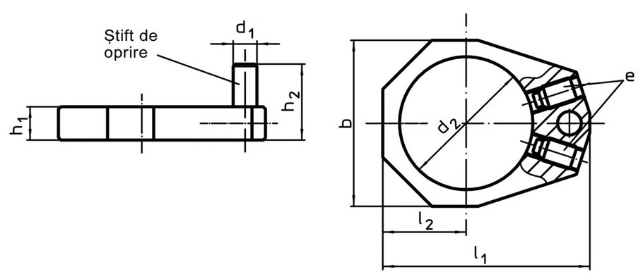
- Inel de pozitionare pentru bridele 23310.0065, 23310.0067
- Dupa alinierea inelelor acestea sunt montate pe ax
- In cazul prinderilor repetate, prinderea va fi tot timpul in același punct
- Inelele de pozitionare se rotesc 360° pe clema
- Dupa montaj, clema se poate roti cu 110° in stanga sau dreapta (doar pentru varianta rotativa)
- Material: otel brunat
Specificatii
| h1=10 mm | |
| 10 mm | |
| 56 mm | |
| 40 mm | |
| 20 mm | |
| 66,5 mm | |
| 60 mm | |
| Oțel, brunat | |
| 22760.0064 | |
| 60 | |
| 149 g |
