Fălci de prindere, pentru clema flexibilă M 12/falcă superioară cu gaură de poziționare | Intervalul de prindere pentru=40 mm / to2=34 mm | 23320.0156

Cod produs: 23320.0156

Fălci de prindere, pentru clema flexibilă M 12/falcă superioară cu gaură de poziționare | Intervalul de prindere pentru=40 mm / to2=34 mm | 23320.0156

Brand: ERWIN HALDER KG
Desen
Desen cu aplicație
Desen cu aplicație

Specificatii


Intervalul de prindere pentru=40 mm / to2=34 mm
40 mm
5
Oțel cementat, nitrurat, tratat cu fosfat de magneziu
construcția de camioane, construcții metalice, produse metalice, elemente de transmisie, transmisii, roți dințate, equipment construction, fabrică, construcția de echipamente și aparate apparatus and, mașini pentru prelucrarea lemnului, robotică, automatizări, tehnologii de control
absorţie, aplica, sigur, suport
L12, L16, V70
CE
112 g
M8
34 mm

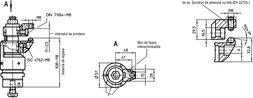
Fălcile de prindere pot fi utilizate pentru clemele 23320.0008, 23320.0010,  23320.0012 și 23320.0014.

Falca superioară (23320.0054, 23320.0056 și 23320.0058 - figurile 1 până la 3) se utilizează pentru mărirea dimensiunii de fixare. 

În falca superioară cu filet interior M 8 (23320.0154 / .0156 - figurile 4 + 5) pot fi montate diferite produse standard.  - vezi  "Produse noi"

Falca inferioară cu funcție de pivotare(23320.0148 - figura 6) are rolul de adaptare la forma piesei.

Material

Fălci de fixare

  • Oțel cementat, nitrurat, tratat cu fosfat de magneziu

Note

Forța de strângere a clemei pivotante trebuie adaptată / redusă diferit. Respectați presiunea de contact datorită suprafeței de contact reduse a fălcilor de prindere.