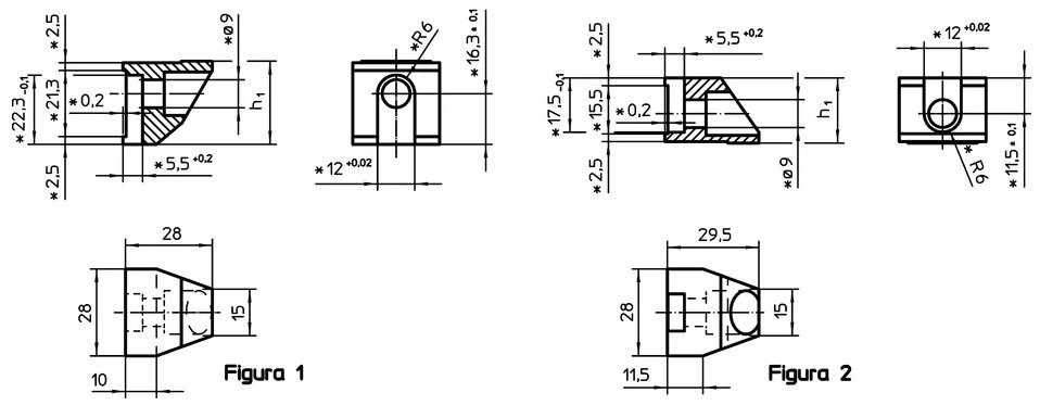
h1
Figura
Interval de prindere
[mm]
[mm]
Cod produs
