Pini de poziţionare | d1=25 mm / l1=40 mm / oțel inoxidabil | 23111.0129

Cod produs: 23111.0129

Pini de poziţionare | d1=25 mm / l1=40 mm / oțel inoxidabil | 23111.0129
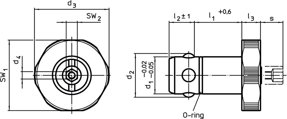
Ştiftul de poziţionare şi fixare permite o fixare rapidă, ajustare, schimbare şi asigurare a piesei, plăciilor, dispoztivelor de fixare, etc.

Material

  • Oțel inoxidabil 1.4542, călit prin precipitare

Operaţii

Prin strângerea șuruburilor de fixare, pinul este fixat și centrat în bucșa de centrare cu ajutorul a patru bile.
Șurubul de fixare poate fi acționat manual cu ajutorul manetei detașabile (cod 23111.0900/.0902) sau cu o cheie hexagonală.

Accesorii

Sunt disponibile și bucșele potrivite.

Brand: ERWIN HALDER KG

Specificatii


d1=25 mm / l1=40 mm / oțel inoxidabil
Da
25 mm
29 mm
45 mm
M4
40 mm
18,6 mm
10 mm
11 mm
11 mm
8 kN
43 mm
10 mm
35 mm
Oțel inoxidabil 1.4542
CE
322 g


schita pin.jpg