- Coturi de teava cu captuseala din PU care pot fi instalate in sistemele de conducte existente
- Poliuretanul PU este extrem de rezistent la uzura si coroziune asigurand o durata de viata foarte lunga
- Dimensiuni standard de conectare cu flanse fixe (PN6, PN10/16)
- Diametre interioare standardizate (DN 50 - DN 200) conform DIN 2448
- Prin combinatia dintre captuseala PU si aranjarea geometrica patentata se obțin rezultate excelente de durabilitate
- Pierderi de presiune semnificativ mai mici, viteza de transport mai mare si costuri reduse de energie


Atac material abraziv cot STANDARD Atac material abraziv cot Master - PROTECT

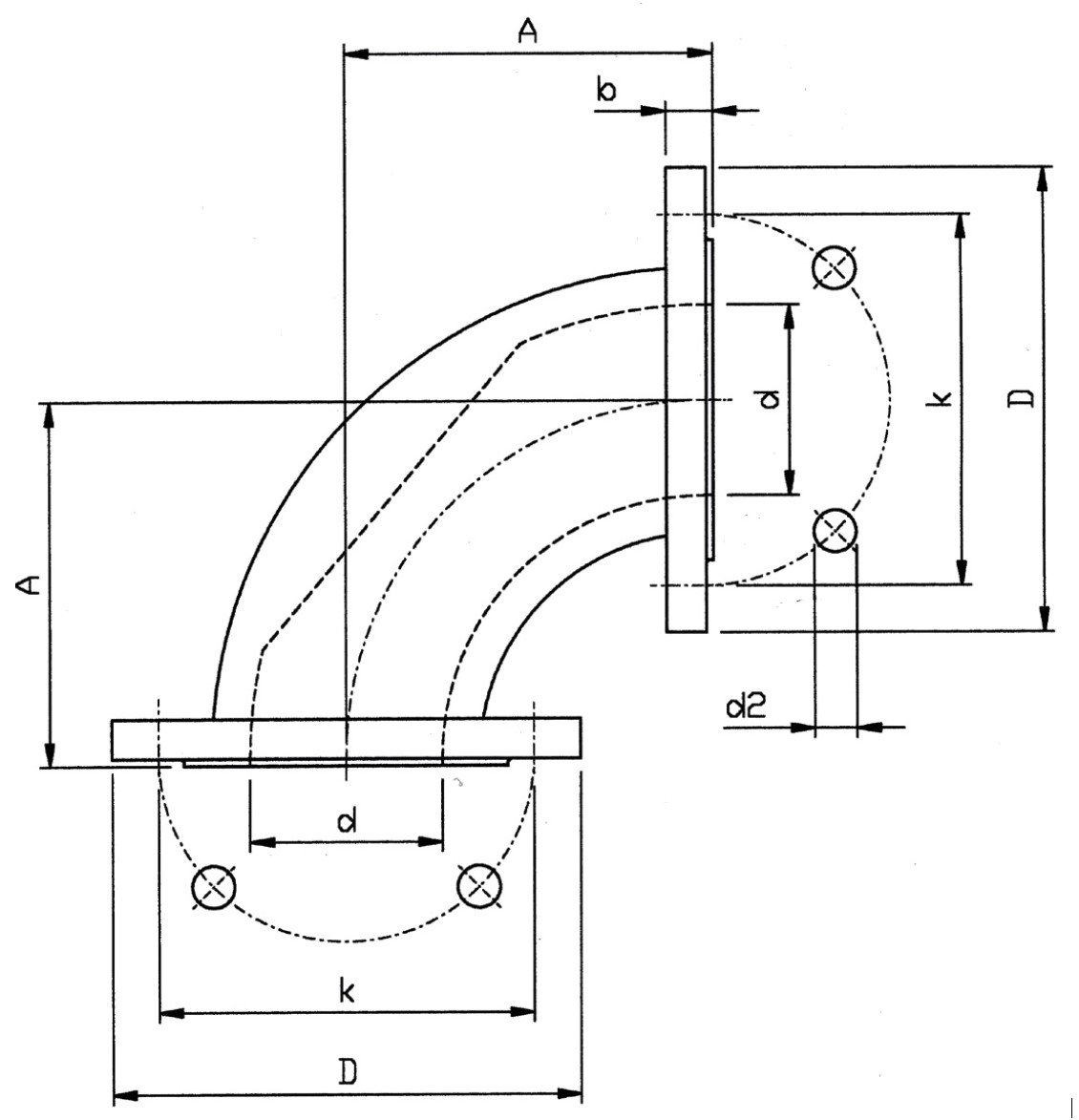
Diametru nominal cot DN
Diametru interior cot d
Treapta de presiune PN
Lungime brat cot A
Diametru exterior flansa D
[mm]
[mm]
[bar]
[mm]
[mm]
Cod produs
Diametru nominal cot DN
[mm]
:
40
Diametru interior cot d
[mm]
:
43
Treapta de presiune PN
[bar]
:
10/16
Lungime brat cot A
[mm]
:
99
Diametru exterior flansa D
[mm]
:
150
004107
Diametru nominal cot DN
[mm]
:
50
Diametru interior cot d
[mm]
:
54
Treapta de presiune PN
[bar]
:
10/16
Lungime brat cot A
[mm]
:
121
Diametru exterior flansa D
[mm]
:
165
004108
Diametru nominal cot DN
[mm]
:
65
Diametru interior cot d
[mm]
:
70
Treapta de presiune PN
[bar]
:
6
Lungime brat cot A
[mm]
:
133
Diametru exterior flansa D
[mm]
:
160
004110
Diametru nominal cot DN
[mm]
:
65
Diametru interior cot d
[mm]
:
70
Treapta de presiune PN
[bar]
:
10/16
Lungime brat cot A
[mm]
:
140
Diametru exterior flansa D
[mm]
:
185
004111
Diametru nominal cot DN
[mm]
:
80
Diametru interior cot d
[mm]
:
82
Treapta de presiune PN
[bar]
:
6
Lungime brat cot A
[mm]
:
157
Diametru exterior flansa D
[mm]
:
190
004112
Diametru nominal cot DN
[mm]
:
80
Diametru interior cot d
[mm]
:
82
Treapta de presiune PN
[bar]
:
10/16
Lungime brat cot A
[mm]
:
165
Diametru exterior flansa D
[mm]
:
200
004113
Diametru nominal cot DN
[mm]
:
100
Diametru interior cot d
[mm]
:
107
Treapta de presiune PN
[bar]
:
6
Lungime brat cot A
[mm]
:
198
Diametru exterior flansa D
[mm]
:
210
004118
Diametru nominal cot DN
[mm]
:
100
Diametru interior cot d
[mm]
:
107
Treapta de presiune PN
[bar]
:
10/16
Lungime brat cot A
[mm]
:
205
Diametru exterior flansa D
[mm]
:
220
004119
Diametru nominal cot DN
[mm]
:
125
Diametru interior cot d
[mm]
:
131
Treapta de presiune PN
[bar]
:
10/16
Lungime brat cot A
[mm]
:
246
Diametru exterior flansa D
[mm]
:
250
004123
Diametru nominal cot DN
[mm]
:
150
Diametru interior cot d
[mm]
:
159
Treapta de presiune PN
[bar]
:
10/16
Lungime brat cot A
[mm]
:
284
Diametru exterior flansa D
[mm]
:
285
004124
Diametru nominal cot DN
[mm]
:
200
Diametru interior cot d
[mm]
:
207
Treapta de presiune PN
[bar]
:
6
Lungime brat cot A
[mm]
:
360
Diametru exterior flansa D
[mm]
:
320
004126