Lampa cu lupa cu brat dublu Waldmann MLD

  • Produse originale Herbert Waldmann GmbH - Quality Made in Germany cu garantie de 20 ani!
  • Lampa Waldmann TEVISIO poate fi utilizata oriunde ochiul uman se confrunta cu limitele sale
  • Un inel de module LED inconjoara amplificatorul oferind o capacitate de vedere clara, fara stralucire, indiferent de iluminarea din mediu
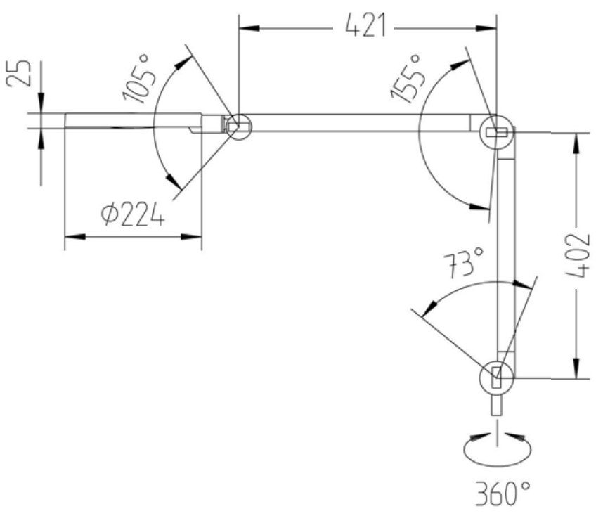
  • Articulatia capului bidimensionala si functia de reglare a luminii contribuie la confortul si comoditatea utilizatorului
  • Lentila de amplificare de 3,5 dioptrii, inconjurata de module LED premium
  • Lentila supradimensionata cu un diametru de 160 mm din acrilic PMMA rezistent
  • Capac de lentila inclus pentru a proteja lentila de praf si nu numai cand nu este utilizata
  • Temperatura de culoare alb neutral 5.000 K
  • Certificat  ETL/cETL
Dioptrii  Marire
3.0 1.75  sau  175%
3.5 1.88  sau  188%
6.0 2.50  sau  250%
8.0 3.00  sau  300%

 

ATENTIE
Pentru a obține o mărire maximă, fără distorsiuni, ar trebui ca lupa sa fie la o distanță de aproximativ 25 cm de ochi.




   waldmann MLD.jpg22.jpg      Waldmann MLD-DT.jpg  



   
Magnifier Luminaire MLD


Pe pagina:  
Afisaj:  
Model lampa
Putere
Flux lumina
Articulatie cap
Dioptrii
Material lupa
[W]
[lm]
[DPT]

Cod produs

 
Model lampa :
MLD 750/850/D 00807341
Putere [W] :
11
Flux lumina [lm] :
800
Articulatie cap :
2D
Dioptrii [DPT] :
3.5
Material lupa :
Acril PMMA
MLD 750/850/D 00807341
buc.