- Produse Made in Germany
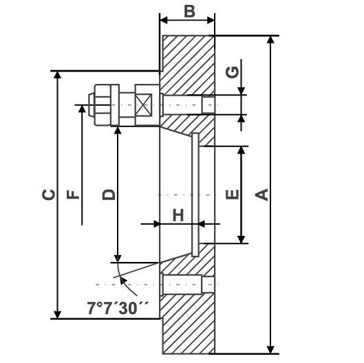
- Flanse conice scurte pentru montarea magnetilor circulari pe capul arborelui
- Sunt fabricate din otel moale
- La cerere, oferim magnetii nostrii montati direct pe flansa

Diametru A
Inaltime B
Diametru C
Diametru D
Diametru E
Distanta F
Filet prezon G
Inaltime H
Greutate G
Marime con
Numar prezon
[mm]
[mm]
[mm]
[mm]
[mm]
[mm]
[mm]
[mm]
[kg]
[buc]
Cod produs
Diametru A
[mm]
:
500
Inaltime B
[mm]
:
41
Diametru C
[mm]
:
400
Diametru D
[mm]
:
285,775
Diametru E
[mm]
:
80
Distanta F
[mm]
:
330,2
Filet prezon G
[mm]
:
M24
Inaltime H
[mm]
:
23
Greutate G
[kg]
:
68
Marime con
[]
:
15
Numar prezon
[buc]
:
6
9001 15500
Diametru A
[mm]
:
500
Inaltime B
[mm]
:
41
Diametru C
[mm]
:
290
Diametru D
[mm]
:
196,869
Diametru E
[mm]
:
80
Distanta F
[mm]
:
235
Filet prezon G
[mm]
:
M20
Inaltime H
[mm]
:
21
Greutate G
[kg]
:
67
Marime con
[]
:
11
Numar prezon
[buc]
:
6
9001 11500
Diametru A
[mm]
:
500
Inaltime B
[mm]
:
41
Diametru C
[mm]
:
220
Diametru D
[mm]
:
139,719
Diametru E
[mm]
:
80
Distanta F
[mm]
:
171,4
Filet prezon G
[mm]
:
M16
Inaltime H
[mm]
:
19
Greutate G
[kg]
:
62
Marime con
[]
:
8
Numar prezon
[buc]
:
4
9001 08500
Diametru A
[mm]
:
400
Inaltime B
[mm]
:
31
Diametru C
[mm]
:
170
Diametru D
[mm]
:
106,375
Diametru E
[mm]
:
63
Distanta F
[mm]
:
133,4
Filet prezon G
[mm]
:
M12
Inaltime H
[mm]
:
17
Greutate G
[kg]
:
35
Marime con
[]
:
6
Numar prezon
[buc]
:
4
9001 06400
Diametru A
[mm]
:
315
Inaltime B
[mm]
:
26
Diametru C
[mm]
:
135
Diametru D
[mm]
:
82,563
Diametru E
[mm]
:
63
Distanta F
[mm]
:
104,8
Filet prezon G
[mm]
:
M10
Inaltime H
[mm]
:
16
Greutate G
[kg]
:
20
Marime con
[]
:
5
Numar prezon
[buc]
:
4
9001 05315
Diametru A
[mm]
:
250
Inaltime B
[mm]
:
21
Diametru C
[mm]
:
112
Diametru D
[mm]
:
65,513
Diametru E
[mm]
:
61
Distanta F
[mm]
:
85
Filet prezon G
[mm]
:
M10
Inaltime H
[mm]
:
13
Greutate G
[kg]
:
11
Marime con
[]
:
4
Numar prezon
[buc]
:
3
9001 04250
Diametru A
[mm]
:
200
Inaltime B
[mm]
:
21
Diametru C
[mm]
:
112
Diametru D
[mm]
:
63,513
Diametru E
[mm]
:
50
Distanta F
[mm]
:
85
Filet prezon G
[mm]
:
M10
Inaltime H
[mm]
:
13
Greutate G
[kg]
:
7
Marime con
[]
:
4
Numar prezon
[buc]
:
3
9001 04200
Diametru A
[mm]
:
160
Inaltime B
[mm]
:
21
Diametru C
[mm]
:
102
Diametru D
[mm]
:
53,975
Diametru E
[mm]
:
40
Distanta F
[mm]
:
75
Filet prezon G
[mm]
:
M10
Inaltime H
[mm]
:
13
Greutate G
[kg]
:
3.9
Marime con
[]
:
3
Numar prezon
[buc]
:
3
9001 03160