- Produs Made in Germany
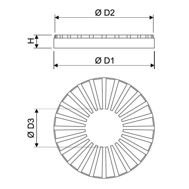
- Placa rotunda magnetica electropermanenta RP/H cu poli radiali
- Placa speciala pentru prelucrarea inelelor de rulment cu forta de prindere de 140 N/cm²
- Prelungitoare de poli sau ajutoare mecanice de prindere se pot pot fixa usor cu ajutorul canalurilor T.
- Partea interioara ØD3 nu este magnetica

- Placile electromagnetice necesita pentru functionare Schimbatoare de polaritate magnetica tip USG.
- Aceste schimbatoare de polaritate permit reglarea puterii de prindere si demagnetizare a pieselor.
Model
Diametru D1
Diametru D2
Diametru D3
Inaltime H
Numar de poli
Greutate
[mm]
[mm]
[mm]
[mm]
[buc]
[kg]
Cod produs
Model
:
RP/H 17085
Diametru D1
[mm]
:
1810
Diametru D2
[mm]
:
1750
Diametru D3
[mm]
:
850
Inaltime H
[mm]
:
125
Numar de poli
[buc]
:
36
Greutate
[kg]
:
1490
2502 17085
Model
:
RP/H 15085
Diametru D1
[mm]
:
1560
Diametru D2
[mm]
:
1500
Diametru D3
[mm]
:
850
Inaltime H
[mm]
:
125
Numar de poli
[buc]
:
36
Greutate
[kg]
:
1050
2502 15085
Model
:
RP/H 12550
Diametru D1
[mm]
:
1310
Diametru D2
[mm]
:
1250
Diametru D3
[mm]
:
500
Inaltime H
[mm]
:
125
Numar de poli
[buc]
:
28
Greutate
[kg]
:
910
2502 12550
Model
:
RP/H 10050
Diametru D1
[mm]
:
1060
Diametru D2
[mm]
:
1000
Diametru D3
[mm]
:
500
Inaltime H
[mm]
:
125
Numar de poli
[buc]
:
28
Greutate
[kg]
:
520
2502 10050
Model
:
RP/H 8025
Diametru D1
[mm]
:
910
Diametru D2
[mm]
:
850
Diametru D3
[mm]
:
250
Inaltime H
[mm]
:
125
Numar de poli
[buc]
:
14
Greutate
[kg]
:
360
2502 08025
Model
:
RP/H 6025
Diametru D1
[mm]
:
660
Diametru D2
[mm]
:
600
Diametru D3
[mm]
:
250
Inaltime H
[mm]
:
125
Numar de poli
[buc]
:
14
Greutate
[kg]
:
210
2502 06025