Coltar drept cu cioc 30x120 designLINE BOSCH REXROTH
- Coltar cu cioc de centrare pentru montarea rapida, exacta și fara rotatie
- Ciocurile de centrare se pot rupe cu usurinta pentru montarea pe profil aluminiu
- Varianta designLINE cu vopsea argintie speciala (RAL 9006) pentru un design deosebit de elegant
- Piesa intermediara pentru pozitionarea coltarilor în cea mai mare canelura alaturata
- Capac acoperire coltar pentru evitarea murdaririi
- Livrarea cu material de fixare profil canal 8 cu profil canal 8
- Disponibil în variantele gri (RAL 7004) si negru ESD (RAL 9005)
- Prelucrarea profilelor nu este necesara

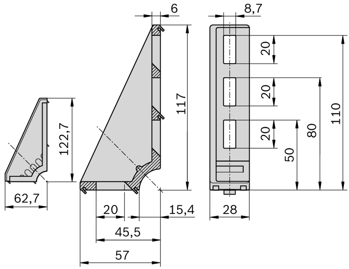
Caracteristici produs Canal profil aluminiu [mm] 8 ESD DA Dimensiuni [mm] 30x120 Culoare Aluminiu alb (RAL 9006) designLINE DA Inclusiv material de fixare DA Moment de incovoiere Mmax1 [Nm] 100.0 Cuplu de torsiune [Nm] 47.0 Setul de livrare Coltar designLINE Incl. material de fixare (FS) Indicație privind materialele Coltar designLINE: Aluminiu turnat sub presiune, lustruit neted, vopsit
Material de fixare: Otel galvanizatMaterial Aluminiu turnat sub presiune, lustruit neted și lacuit Material de fixare 2x Piulita cu guler M6
2x Surub cu cap în T M6x16Accesorii recomandate Capac de acoperire coltar 30x120, gri semnal (3842548850)
Capac de acoperire coltar 30x120, negru (3842548851)
Piesa intermediara pentru canal 10 mm (3842523537)Greutate [kg] 0.04 Cod comanda 3842551602 