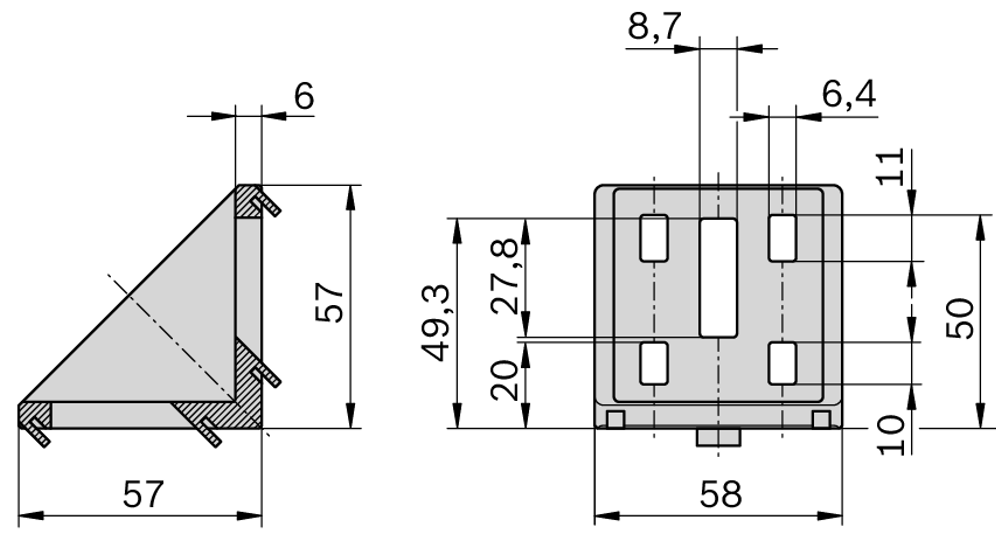
Coltar drept cu cioc 60x60 SET canal 8/10 BOSCH REXROTH
- Coltar cu cioc de centrare pentru montarea rapida, exacta si fara rotatie
- Ciocurile de centrare se pot rupe cu usurinta pentru montarea pe profil aluminiu
- Piesa intermediara pentru pozitionarea coltarilor în cea mai mare canelura alaturata
- Capac acoperire coltar pentru evitarea murdaririi
- Livrarea CU material de fixare pentru profil canal 8 cu profil canal 10
- Disponibil în variantele gri (RAL 7004) si negru ESD (RAL 9005)
- Prelucrarea profilelor nu este necesara

Caracteristici produs Canal profil aluminiu [mm] 8 si 10 ESD DA Dimensiuni [mm] 60x60 Inclusiv material de fixare DA Moment de incovoiere Mmax1 [Nm] 320.0 Moment de incovoiere Mmax2 [Nm] 370.0 Cuplu de torsiune [Nm] 110.0 Setul de livrare Coltar (Standard) Incl. material de fixare (FS) Indicație privind materialele Coltar: Aluminiu turnat sub presiune, lustruit neted
Material de fixare: Otel galvanizatMaterial Aluminiu turnat sub presiune, lustruit neted Material de fixare 1x Piulita cu guler M8
4x Piulite ciocan canal 8 M6,
1x Surub cu cap în T M8x20
4x Suruburi cilindric DIN 7984-M6X14Accesorii recomandate Capac de acoperire coltar 60x60, gri semnal 3842548852
Capac de acoperire coltar 60x60, negru 3842548853
Piesa intermediară pentru canelură 10 mm 3842523537Greutate [kg] 0.16 Cod comanda 3842523551 