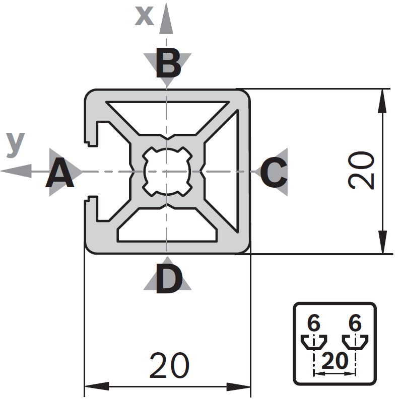
Profil aluminiu 20x20 1N BOSCH original
- Livram intreaga gama de profile de aluminiu standard industrial original BOSCH REXROTH
- Gama variata de organe de asamblare original BOSCH REXROTH
- coltare, sisteme montaj, elemente de montaj in podea, roti, capace de canal
- elemente pentru montarea panourilor de plastic sau plexiglas
- role si elemente pentru conveioare gravitationale si angrenate - Serviciu de debitare gratuita!
- Proiectare, debitare si montare de mobilier industrial

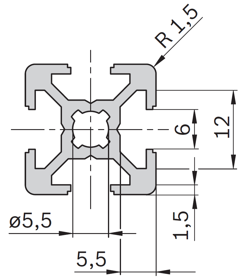
Sectiunea transversala S [mm x mm] 20x20 1N Suprafata A [cm²] 1.9 Canal [mm] 6 Canale deschise 1 Moment de inertie Ix [cm⁴] 0.8 Moment de inertie Iy [cm⁴] 0.8 Moment de rezistenta WX [cm³] 0.8 Moment de rezistenta Wy [cm³] 0.8 Index de torsiune IT [cm⁴] 0.6 Moment de rezistenta la torsiune WT [cm⁴] 0.67 Material Aluminiun eloxat Culoarea natur Greutatea [kg/m] 0.5
Accesorii uzuale profile





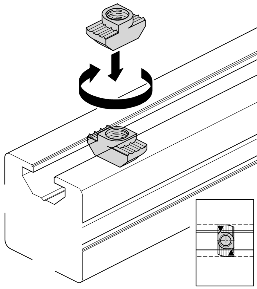
Capac lateral Piulite canal T Coltar Coltar unghi R Coltar interior
Denumire
ProdusLungime
baraLungime
minimaLungime
maximaInformatii Prelucrare
capetePrelucrare
capete pictoUnitate
pachetareCod
comanda[mm] [mm] [mm] [mm] [buc] Profil aluminiu 20x20 1N 3000 -- -- standard 3000 neprelucrat 
1 3842536476 Profil aluminiu 20x20 1N 3000 -- -- standard 3000 neprelucrat 
20 3842536475 Profil aluminiu 20x20 1N le cerere 50 3000 lungime la cerere neprelucrat 
1 3842993421 Profil aluminiu 20x20 1N Q&E le cerere 50 3000 lungime la cerere Quick & Easy 
1 3842993690