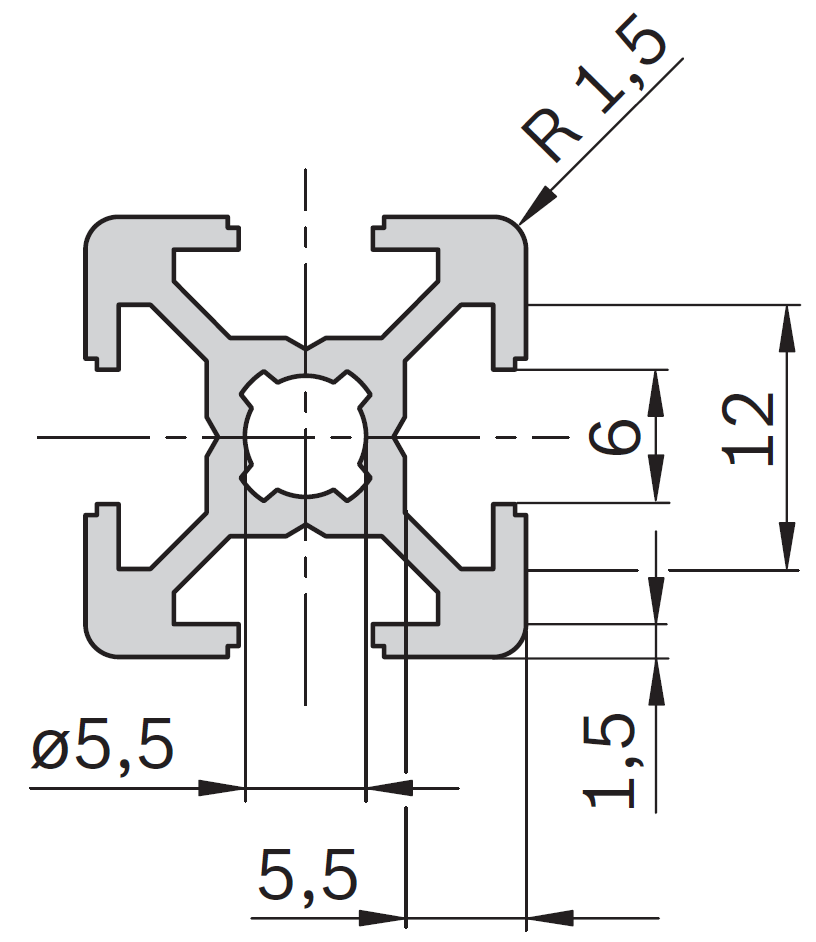
Profil aluminiu BOSCH 20x20 3N
- Livram intreaga gama de profile de aluminiu standard industrial original BOSCH REXROTH
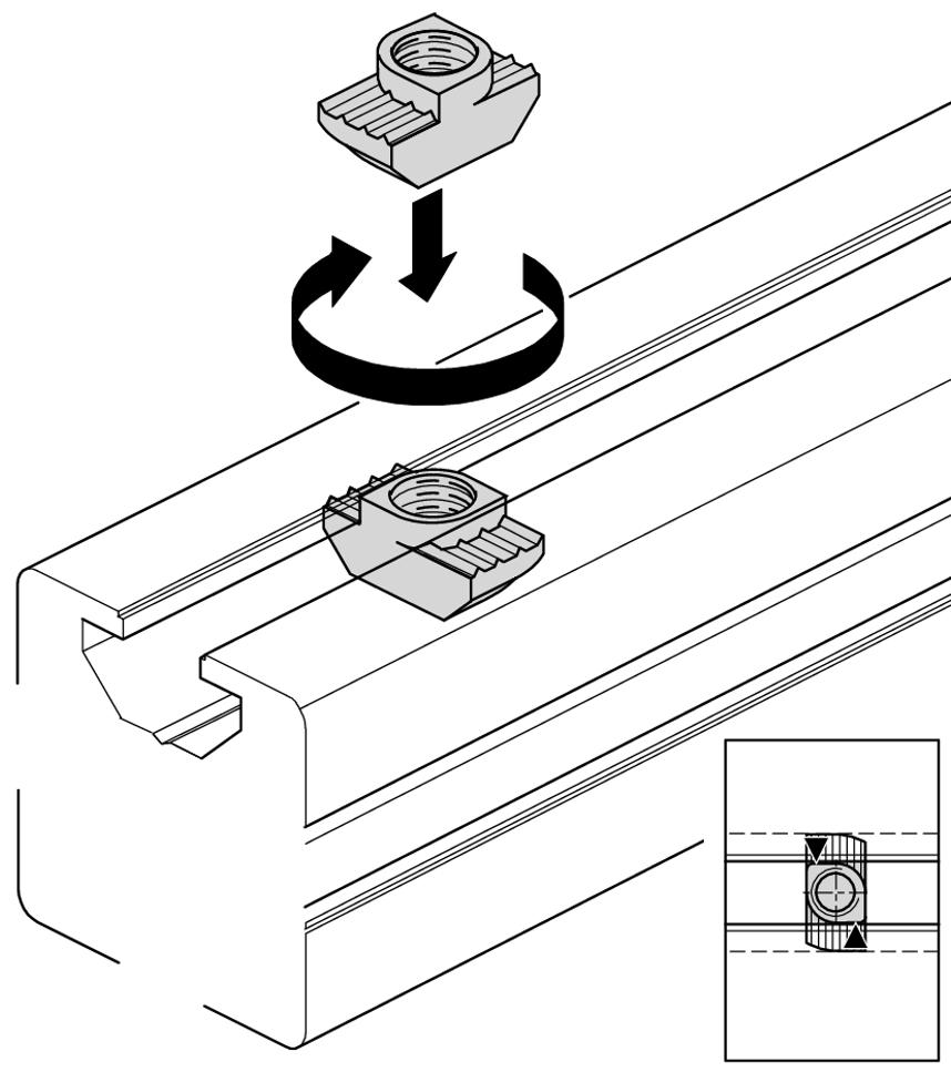
- Gama variata de organe de asamblare original BOSCH REXROTH
- coltare, sisteme montaj, elemente de montaj in podea, roti, capace de canal
- elemente pentru montarea panourilor de plastic sau plexiglas
- role si elemente pentru conveioare gravitationale si angrenate - Serviciu de debitare gratuita!
- Proiectare, debitare si montare de mobilier industrial

Accesorii uzuale profile





Capac lateral Piulite canal T Coltar Coltar unghi R Coltar interior