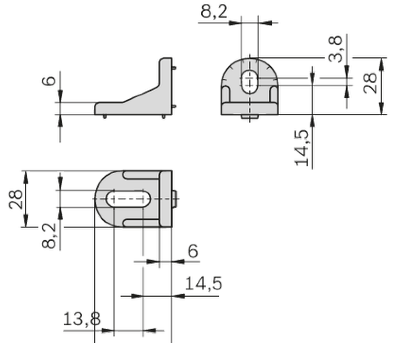
Coltar fixare usa glisanta R28x38mm BOSCH REXROTH
- Coltar profil aluminiu R28x38 set (Standard), canal 10/10
- Pentru imbinarea profilurilor in unghiuri aleatorii
- Fara muchii deranjante din cauza rotunjirii unghiurilor
- Coltari cu cioc de centrare pentru montarea rapida, exacta si fără rotatie
- Ciocurile de centrare se pot rupe cu usurinta pentru montarea pe placi
- Prelucrarea profilurilor: Nu este necesar

| Caracteristici produs |
|
|---|---|
| Canelură profil [mm] | 10 |
| Dimensiuni [mm] | 28x38 |
| Inclusiv material de fixare | DA |
| Setul de livrare | Coltar (Standard) Incl. material de fixare (FS) |
| Indicație privind materialele | Coltar: Zinc turnat sub presiune Material de fixare: Oțel; galvanizat Piesă intermediară: PA, negru |
| Material de fixare | 2x Piuliță ciocan canelură 10 M8 2x Șurub cilindric DIN 7984 M8x16 4x Piesă intermediară 8/10 |
| Greutate [kg] | 0.07 |
| Cod comanda | 3842515473 |
