Sina profil aluminiu glisare usa BOSCH REXROTH
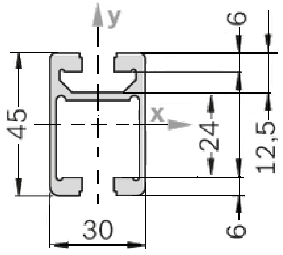
- Sina profil aluminiu sectiune transversala 30x45 mm canal 10 mm
- Sina profil aluminiu pentru trolii transportul suspendat sau usi glisante
- Transportarea suspendarea mobila a pieselor
- Usi glisante sistem EcoSafe

| Caracteristici produs |
|
| Starea livrării |
Unitate de ambalare cu lungime standard |
| Canelură profil [mm] |
10 |
| Masa [m] [kg] |
1.2 |
| Moment de inerție al suprafeței în direcția X [lx] [cm⁴] |
10.3 |
| Moment de inerție al suprafeței în direcția Y [ly] [cm⁴] |
5.6 |
| Suprafață profil [A] [cm²] |
4.4 |
| Moment de rezistență în direcția X [Wx] [cm³] |
4.2 |
| Moment de rezistență în direcția Y [Wy] [cm³] |
3.7 |
| Lungime [mm] |
6070 |
| Material |
Aluminiu, eloxat |
| Accesorii necesare |
Set de colțari R28x38 pentru fixarea pe profiluri de contrafișe cu caneluri de 10 mm |
| Cod comanda |
3842557950 |