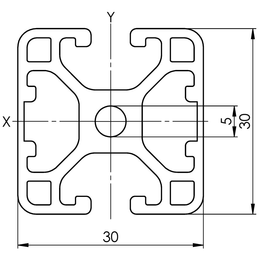
Profil aluminiu compatibil ITEM 30x30 Sistem 30 LIGHT Canal 6, inchis pe 2 laturi paralele
Cod produs: M ATP I6 3030L2NP
Livram intreaga gama de profile de aluminiu extrudat compatibile cu sistemele ITEM si o gama variata de organe de asamblare: coltare, sisteme montaj, elemente de montaj in podea, roti, capace de canal, elemente pentru montarea panourilor de plastic sau plexiglas, role si elemente pentru conveioare gravitationale si angrenate de la producatorii: FATH si ALU TP.
♦ Toate profilele de automatizare din aleaj sunt din aluminiu AlMgSi0,5 F 2
♦ Profilele de automatizare sunt eloxate si rezistente la atemeperii si la multe produse chimice.
♦ Dimensiunile serilor constructive permit combinarea intre diferite profile din aceiasi serie.
♦ Nu exista un domeniu de productie unde profilele din aluminiu ALU TP nu au o aplicabilitate.
♦ Servici de debitare gratuit!
♦ Service proiectare
♦ Confectionare si montare de sisteme din profile din aluminiu
Brand:
ALU-TP GMBH
Profil aluminiu compatibil ITEM I6 3030L2NP
| Date generale | |
| Cod produs | M ATP I6 3030L2NP |
| Material conf DIN EN 573 | EN AW - 6063 |
| Rezistenta rupere min. Rm | 245 N/mm² |
| Rezistenta Rp 0,2 | 195 N/mm² |
| Limita de rupere A5 | 10% |
| Limita de rupere A10 | 8% |
| Modul de elasticitate E | ca. 70.000 N/mm² |
| Duritate HB | 75 HB |
| Coeficent de dilatare | 23,4 x 10-6 1/K |
| Toleranta | DIN 12020-2 |
| Proces de eloxare | E6CO |
| Grosimea stratului eloxat | 15 µm |

| Date tehnice | |
| Moment de inertie Ix | 2.89 cm4 |
| Moment de inertie Iy | 3.17 cm4 |
| Moment de rezistenta Wx | 1.92 cm4 |
| Moment de rezistenta Wy | 2.11 cm4 |
| Greutatea G | 0.94 g/m |
| Suprafata profil A | 3.48 cm² |
| Lungimea barei | 6000 mm |
| Dimensiunea | 30x30 mm |
| Unitate de impachetare | 8 bare |
Tolerante generale

