Profil aluminiu compatibil ITEM 40x32 Sistem 40 LIGHT Canal 8
Cod produs: M ATP I8 4032L
Livram intreaga gama de profile de aluminiu extrudat compatibile cu sistemele ITEM si o gama variata de organe de asamblare: coltare, sisteme montaj, elemente de montaj in podea, roti, capace de canal, elemente pentru montarea panourilor de plastic sau plexiglas, role si elemente pentru conveioare gravitationale si angrenate de la producatorii: FATH si ALU TP.
• Toate profilele de automatizare din aleaj sunt din aluminiu AlMgSi0,5 F 2
• Profilele de automatizare sunt eloxate si rezistente la atemeperii si la multe produse chimice.
• Dimensiunile serilIor constructive permit combinarea intre diferite profile din aceiasi serie.
• Nu exista un domeniu de productie unde profilele din aluminiu ALU TP nu au o aplicabilitate.
• Service de debitare gratuit!
• Service proiectare
• Confectionare si montare de sisteme din profile din aluminiu
Brand:
ALU-TP GMBH
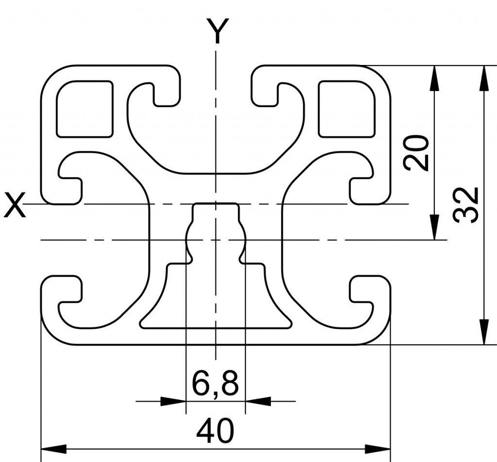
Profil aluminiu compatibil ITEM I8 4032L
| Date generale | |
| Cod produs | M ATP I8 4032L |
| Material conf DIN EN 573 | EN AW - 6063 |
| Rezistenta rupere min. Rm | 245 N/mm² |
| Rezistenta Rp 0,2 | 195 N/mm² |
| Limita de rupere A5 | 10% |
| Limita de rupere A10 | 5% |
| Modul de elasticitate E | ca. 70.000 N/mm² |
| Duritate HB | 75 HB |
| Coeficent de dilatare | 23.4 x10-6 1/K |
| Toleranta | DIN 12020-2 |
| Proces de eloxare | E6CO |
| Grosimea stratului eloxat | 15 µm |

| Date tehnice | |
| Moment de inertie Ix | 5.00cm4 |
| Moment de inertie Iy | 7.03cm4 |
| Moment de rezistenta Wx | 3.10cm3 |
| Moment de rezistenta Wy | 3.52cm3 |
| Greutatea G | 1.32kg/m |
| Suprafata profil A | 4.90cm² |
| Lungimea barei | 6000mm |
| Unitate de impachetare | 16 bare |
Tolerante generale

