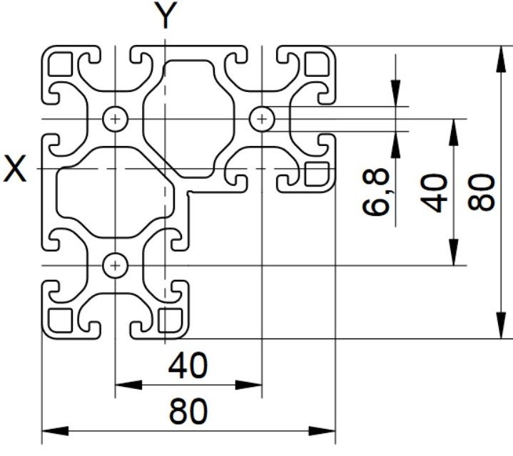
Profil aluminiu compatibil ITEM 40x40x80 Sistem 40 LIGHT Canal 8

Cod produs: M ATP I8 404080L

Livram intreaga gama de profile de aluminiu extrudat compatibile cu sistemele ITEM si o gama variata de organe de asamblare: coltare, sisteme montaj, elemente de montaj in podea, roti, capace de canal, elemente pentru montarea panourilor de plastic sau plexiglas, role si elemente pentru conveioare gravitationale si angrenate de la producatorii: FATH  si ALU TP.
 

• Toate profilele de automatizare din aleaj sunt din aluminiu AlMgSi0,5 F 2
• Profilele de automatizare sunt eloxate si rezistente la atemeperii si la multe produse chimice.
• Dimensiunile serilor constructive permit combinarea intre diferite profile din aceiasi serie.
• Nu exista un domeniu de productie unde profilele din aluminiu ALU TP nu au o aplicabilitate.
• Service de debitare gratuit!
• Service proiectare
• Confectionare si montare de sisteme din profile din aluminiu

Brand: ALU-TP GMBH

Profil aluminiu compatibil ITEM I8 404080L, L=6m


 

Date generale  
Cod produs M ATP I8 404080L
Material conf DIN EN 573 EN AW - 6063
Rezistenta rupere min. Rm 245 N/mm²
Rezistenta Rp 0,2 195 N/mm²
Limita de rupere A5 10%
Limita de rupere A10 8%
Modul de elasticitate E ca. 70.000 N/mm²
Duritate HB 75 HB
Coeficent de dilatare 23,4 x 10-6 1/K
Toleranta DIN 12020-2
Proces de eloxare E6CO
Grosimea stratului eloxat 15 µm



           



Date tehnice  
Moment de inertie Ix 96.07 cm4
Moment de inertie Iy 96.07 cm4
Moment de rezistenta Wx 20.69 cm4
Moment de rezistenta Wy 20.69 cm4
Greutatea G 4.90 kg/m
Suprafata profil A 17.78 cm²
Lungimea barei 6000 mm
Unitate de impachetare 4 bare





Tolerante generale