Profil aluminiu standard industrial 60x60 Seria 2, Sistem 60 LIGHT Canal 10
Cod produs: M ATP B10 6060L
• Toate profilele de automatizare din aleaj sunt din aluminiu AlMgSi0,5 F 2
• Toate profilele sunt eloxate si rezistente la atemeperii si la multe produse chimice.
• Dimensiunile seriilor constructive permit asamblarea intre diferite profile din aceiasi serie.
• Nu exista un domeniu de productie unde profilele din aluminiu ALU TP nu au o aplicabilitate.
• Service de debitare gratuit!
• Service proiectare
• Confectionare si montare de sisteme din profile din aluminiu
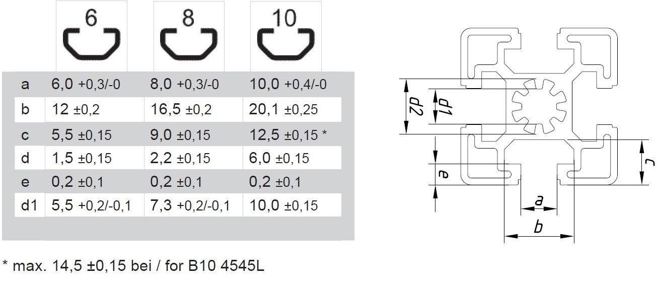
Profil aluminiu 60x60 Sistem 60 LIGHT canal 10, B10 6060L 3842511871 3 842 511 871 3-842-511-871 3_842_511_871
Livram intreaga gama de profile de aluminiu standard industrial si o gama variata de organe de asamblare:
• coltare, sisteme montaj, elemente de montaj in podea, roti,
• capace de canal, elemente pentru montarea panourilor de plastic sau plexiglas,
• role si elemente pentru conveioare gravitationale si angrenate
| Date generale | |
| Cod produs | M ATP B10 6060L |
| Material conf DIN EN 573 | EN AW - 6063 |
| Rezistenta rupere min. Rm | 245 N/mm² |
| Rezistenta Rp 0,2 | 195 N/mm² |
| Limita de rupere A5 | 10% |
| Limita de rupere A10 | 8% |
| Modul de elasticitate E | ca. 70.000 N/mm² |
| Duritate HB | 75 HB |
| Coeficent de dilatare | 23,4 x 10-6 1/K |
| Toleranta | DIN 12020-2 |
| Proces de eloxare | E6CO |
| Grosimea stratului eloxat | 15 µm |

| Date tehnice | |
| Moment de inertie Ix | 31,71 cm4 |
| Moment de inertie Iy | 31,71 cm4 |
| Moment de rezistenta Wx | 10,57 cm4 |
| Moment de rezistenta Wy | 10,57 cm4 |
| Greutatea G | 2,57 kg/m |
| Suprafata profil A | 9,52 cm² |
| Lungimea barei | 6000 mm |
| Dimensiunea | 60 x 60 mm |
| Unitate de impachetare | 20 bare |
Tolerante generale:

