Profil aluminiu standard industrial 40x80 Seria 2, Sistem 40 LIGHT Canal 10, 2 laturi inchise
Cod produs: M ATP B10 4080L3NE
• Toate profilele de automatizare din aleaj sunt din aluminiu AlMgSi0,5 F 2
• Toate profilele sunt eloxate si rezistente la atemeperii si la multe produse chimice.
• Dimensiunile seriilor constructive permit asamblarea intre diferite profile din aceiasi serie.
• Nu exista un domeniu de productie unde profilele din aluminiu ALU TP nu au o aplicabilitate.
• Service de debitare gratuit!
• Service proiectare
• Confectionare si montare de sisteme din profile din aluminiu
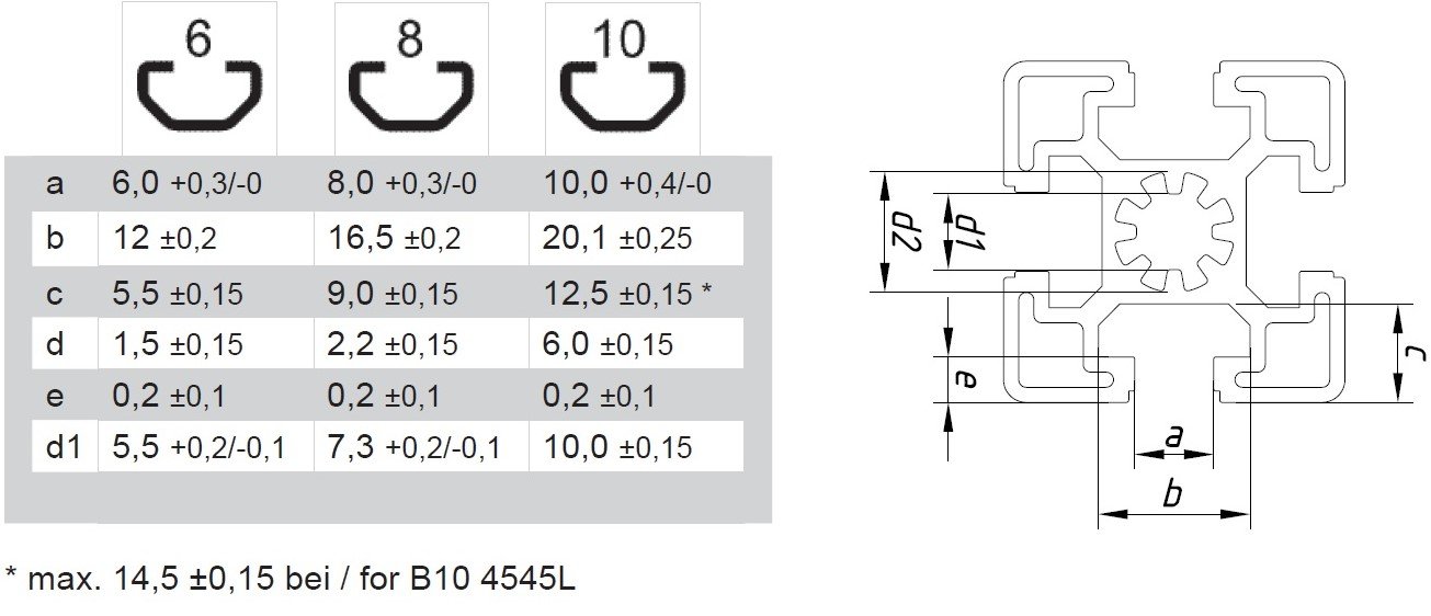
Profil aluminiu 40x80 Sistem 40 LIGHT canal 10, B10 4080L3NE 384
Livram intreaga gama de profile de aluminiu standard industrial si o gama variata de organe de asamblare:
• coltare, sisteme montaj, elemente de montaj in podea, roti,
• capace de canal, elemente pentru montarea panourilor de plastic sau plexiglas,
• role si elemente pentru conveioare gravitationale si angrenate
| Date generale | |
| Cod produs | M ATP B10 40x80L3NE |
| Material conf DIN EN 573 | EN AW - 6063 |
| Rezistenta rupere min. Rm | 245 N/mm² |
| Rezistenta Rp 0,2 | 195 N/mm² |
| Limita de rupere A5 | 10% |
| Limita de rupere A10 | 8% |
| Modul de elasticitate E | ca. 70.000 N/mm² |
| Duritate HB | 75 HB |
| Coeficent de dilatare | 23,4 x 10-6 1/K |
| Toleranta | DIN 12020-2 |
| Proces de eloxare | E6CO |
| Grosimea stratului eloxat | 15 µm |

68,6 19,1 16,88 9,17 2,86 10,61
| Date tehnice | |
| Moment de inertie Ix | 68.60 cm4 |
| Moment de inertie Iy | 19.10 cm4 |
| Moment de rezistenta Wx | 16.88 cm³ |
| Moment de rezistenta Wy | 9.17 cm³ |
| Greutatea G | 2,86 kg/m |
| Suprafata profil A | 10.61 cm² |
| Lungimea barei | 6060 mm |
| Dimensiunea | 40 x 80 mm |
| Unitate de impachetare | 6 bare |
Tolerante generale:

