Profil aluminiu standard industrial 80x80 Serie 2, Sistem 40 LIGHT Canal 10, 2 laturi inchise
Cod produs: M ATP B10 8080L4NE
• Toate profilele de automatizare din aleaj sunt din aluminiu AlMgSi0,5 F 2
• Toate profilele sunt eloxate si rezistente la atemeperii si la multe produse chimice.
• Dimensiunile seriilor constructive permit asamblarea intre diferite profile din aceiasi serie.
• Nu exista un domeniu de productie unde profilele din aluminiu ALU TP nu au o aplicabilitate.
• Service de debitare gratuit!
• Service proiectare
• Confectionare si montare de sisteme din profile din aluminiu
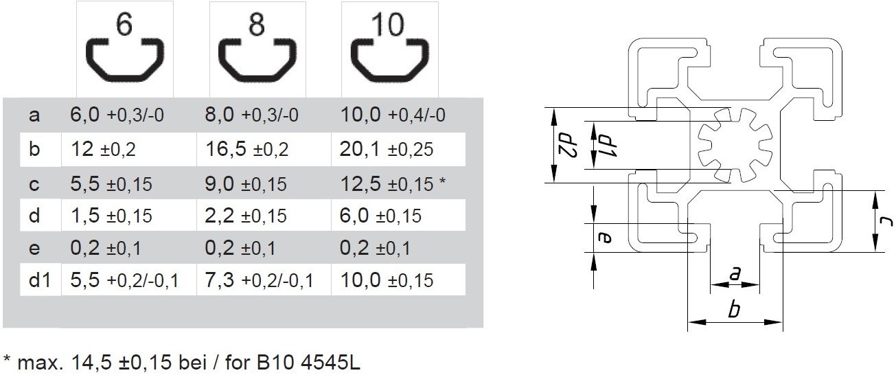
Profil aluminiu 80x80 Sistem 40 LIGHT canal 10, 2 laturI inchisE
Livram intreaga gama de profile de aluminiu standard industrial si o gama variata de organe de asamblare:
• coltare, sisteme montaj, elemente de montaj in podea, roti,
• capace de canal, elemente pentru montarea panourilor de plastic sau plexiglas,
• role si elemente pentru conveioare gravitationale si angrenate
| Date generale | |
| Cod produs | M ATP B10 8080L4NE |
| Material conf DIN EN 573 | EN AW 6063 |
| Rezistenta rupere min. Rm | 245N/mm² |
| Rezistenta Rp 0,2 | 195N/mm² |
| Limita de rupere A5 | 10% |
| Limita de rupere A10 | 8% |
| Modul de elasticitate E | ca. 70.000N/mm² |
| Duritate HB | ca.75 |
| Coeficient de dilatare | 23,4x10-61K |
| Toleranta | DIN EN 12020-2 |
| Proces de eloxare | E6C0 |
| Grosimea stratului eloxat | 15µm |

| Date tehnice | |
| Moment de inertie Ix | 143.30 cm4 |
| Moment de inertie Iy | 143.30 cm4 |
| Moment de rezistenta Wx | 34.80 cm3 |
| Moment de rezistenta Wy | 34.80 cm3 |
| Greutatea G | 5.33 kg/m |
| Suprafata profil A | 19.74 cm² |
| Lungimea barei | 6060 mm |
| Dimensiunea | 80X80 mm |
| Unitatea de impachetare | 6 bare |

