Placa imbinare in T fibra carbon compozit

  • Placa de imbinare in T din compozit de fibra de carbon cu rasina epoxidica 
  • Aplicatie in toate domeniile de la constructii de masini  la constructii civile
  • Stabilitate dimensionala excelenta si dilatare minima intre -50°C si +50°C
  • Rezistenta la coroziune chimica si uzura
  • Raport excelent rigiditate/greutate
  • Ca alternativa sau in combinatie cu materiale traditionale ca otel sau aluminiu 
  • Reducerea greutatilor si cresterea rezistentei




PLACA T.jpg                 PLACA T DT.jpg                 




           PLACA T AP.jpg                

Pe pagina:  
Afisaj:  
Latime
Inaltime
Grosime
Imbinare
Greutate
[mm]
[mm]
[mm]
[g]

Cod produs

 
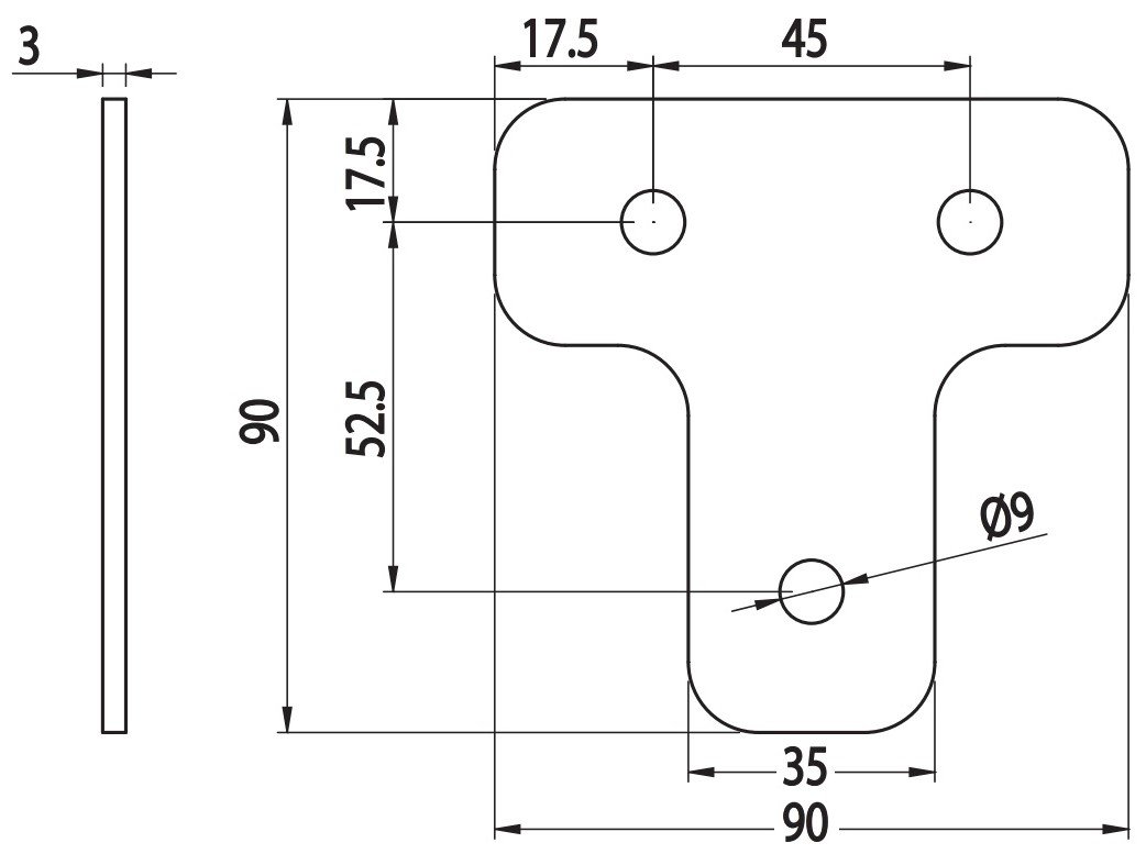
Latime [mm] :
90
Inaltime [mm] :
90
Grosime [mm] :
3
Imbinare [] :
Profil 45 x 45
Greutate [g] :
23
buc.