Rezistente electrice hotrunner DHB 20 K, izolatie mica
• Incalzirea duzelor de injectie mai ales in cazurile in care sunt disponibile pentru montare in spatii limitate
• Incalzirea duzelor hot runner la matrite de injectie
• Variante constructive foarte compacte
• Etanseitate excelenta la mase plastice topite
• Racord foarte robust
• Constructie: Sarma rezistenta in izolatie speciala de mica, incastrata in manta de alama
• Longevitate foarte mare in exploatare

| Varianta standard | Optiuni posibile |
|
| Tensiune alimentare | 230 V | la cerere |
| Putere | pana 3.5 W/cm² | pana 7.0 W/cm² |
| Temperatura maxima | 300°C | 500°C |
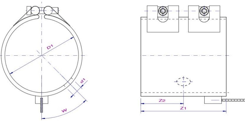
| Diametru interior | 28 mm - 110 mm | |
| Inaltime | 20 mm - 80 mm | |
| Pozitie racord electric | vis a vis de fixare | alta pozitie la cerere |
| Unghi racord electric | radial sau axial | |
| Cablu racord | cu protectie metalica | cablu siliconic |
| Lungime cablu racord | 300 mm | la cerere |
Unghi de prindere racord electric
Racord radial Racord axial