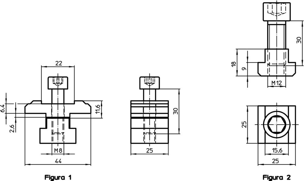
Adaptor pentru dispozitive conice de fixare ‒ pentru profile de fixare | EH 23250.

Cu ajutorul unui adaptor, toate dispozitivele conice de fixare M8 - M12 pot fi montate pe profilul de fixare. Adaptorul pentru mărimea M8 include un blocator antirăsucire.

Material

  • Oțel pentru scule
Pe pagina:  
Afisaj:  
Greutate
[g]

Cod produs

 
Greutate [g] :
105 g
buc.
Greutate [g] :
153 g
buc.