Bacuri în trepte ‒ pentru bacuri rotunde | EH 1702.

  • Suprafața superioară și cea laterală, cu filete pentru montajul bacurilor paralele
  • Suprafețele de prindere șlefuite
  • Pot fi montate de asemenea diferite bacuri interschimbabile (ref. nr. 1701.250 - 1701.280) pe partea superioară
  • Potrivite pentru montajul știfturilor
  • Prima și a doua operațiune de prindere, fără ajustare
  • Potrivite pentru montajul distanțierelor (ref. nr. 1701.190 - 1701.200) pe partea de sus a bacului

Atenţie:

Acestea sunt bacuri rigide și se pot folosii pentru piese rectangulare (pene) - paralelism mai mic sau egal cu 0.5 mm (// <=0.5) și pentru piese cilindrice - cilindricitate mai mică sau egală cu 0.5 (O <=0.5).

Material

  • Oţel, călit
Pe pagina:  
Afisaj:  
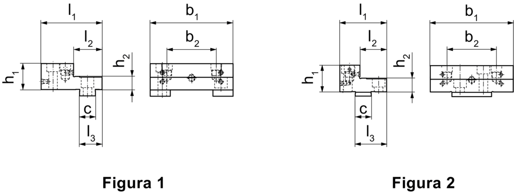
b1
b2
c
h1
h2
l1
l2
l3
Lățime bac
Greutate
[mm]
[mm]
[mm]
[mm]
[mm]
[mm]
[mm]
[mm]
[mm]
[g]

Cod produs