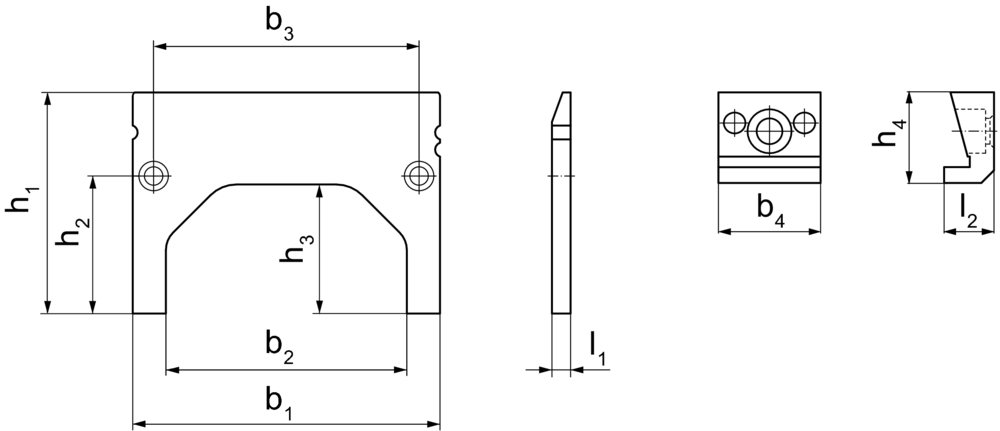
b1
b2
b3
b4
h1
h2
h3
h4
l1
l2
Lățime bac
Greutate
[mm]
[mm]
[mm]
[mm]
[mm]
[mm]
[mm]
[mm]
[mm]
[mm]
[mm]
[g]
Cod produs
b1
[mm]
:
125 mm
b2
[mm]
:
98 mm
b3
[mm]
:
108 mm
b4
[mm]
:
24,15 mm
h1
[mm]
:
90 mm
h2
[mm]
:
56 mm
h3
[mm]
:
53 mm
h4
[mm]
:
21,45 mm
l1
[mm]
:
7,6 mm
l2
[mm]
:
11,8 mm
Lățime bac
[mm]
:
125 mm
Greutate
[g]
:
1790 g
1704.300