Plăci adaptoare | 1581.000
Cod produs: 1581.000
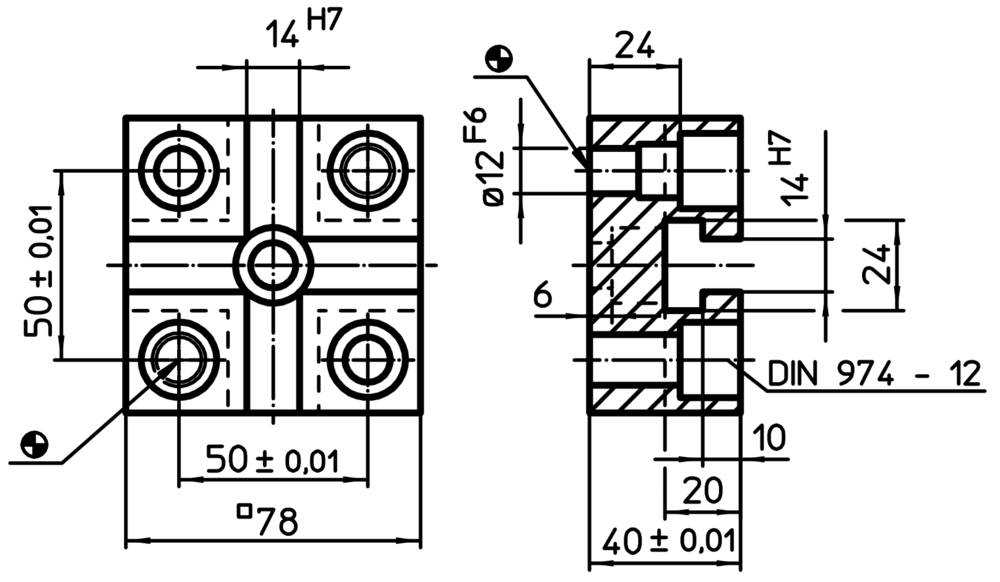
Plăci adaptoare | 1581.000
Brand:
ERWIN HALDER KG
Specificatii
| Otel calit, slefuit | |
| L12 | |
| CE | |
| 1202 g |
Material
- Oţel, călit, şlefuit