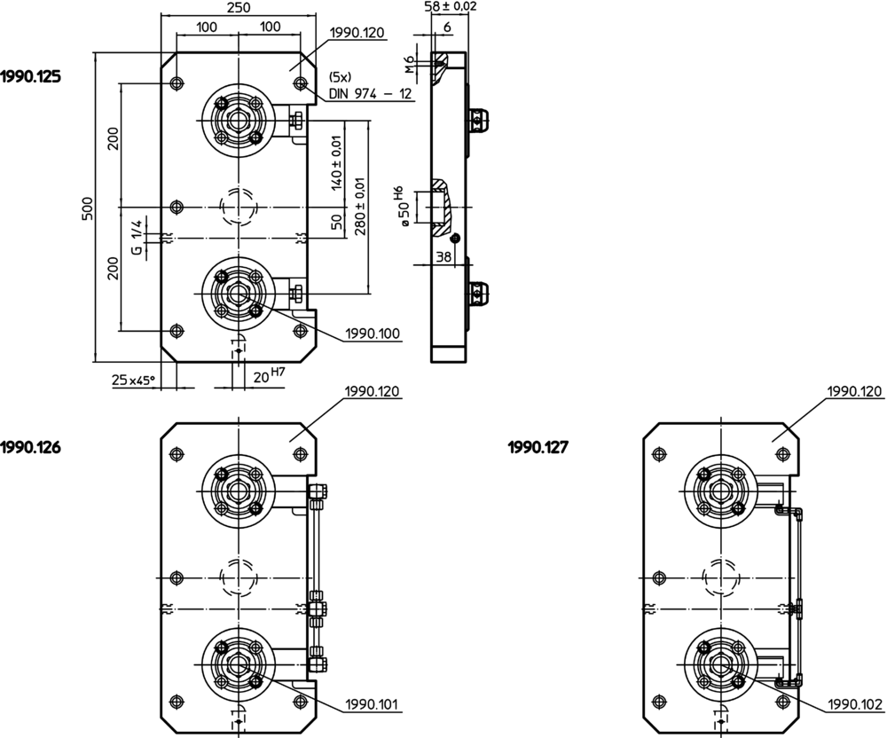
Plăci de bază ‒ cu 2 elemente de legătură | EH 1990.

Material

Element de conectare

  • Vezi ref. nr. 1990.100-102

Placă de bază

  • Aluminiu Al

Note

Variantă specială la cerere.

Pe pagina:  
Afisaj:  
Greutate
[kg]

Cod produs

 
Greutate [kg] :
16 kg
buc.
Greutate [kg] :
17 kg
buc.
Greutate [kg] :
17 kg
buc.