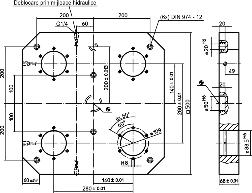
Plăci de bază ‒ pentru 4 elemente de legătură, acţionare simplă | EH 1990.

Material

  • Aluminiu Al

Note

Variantă specială la cerere.

Pe pagina:  
Afisaj:  
Greutate
[kg]

Cod produs

 
Greutate [kg] :
35 kg
buc.