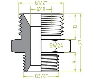
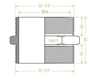
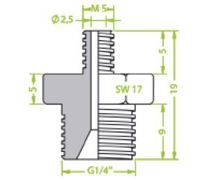
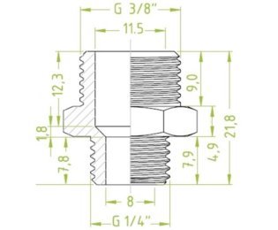
Niplu dublu ventuza filet exterior - filet exterior