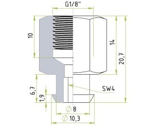
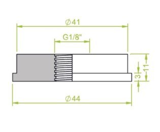
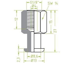
Racord ventuze cu filet interior G1/8"